FLOJET

DC 30/5

Magnetkoblet

 

Flojet Totton DC magnetkoblede sentrifugalpumper har lukket pumpehus og impeller som drives magnetisk. Ettersom pumpene ikke har gjennomgående aksel er de helt lekkasjefrie.

Flojet Totton DC er spesielt egnet til å pumpe etsende, miljøfarlige og verdifulle medier som absolutt ikke må lekke ut. Magnetkoblet sentrifufalpumpe egner seg også godt til å pumpe flyktige væsker med lav overflatespenning, som normalt er problematisk med tanke på tetting og lekkasjer.

Disse egenskapene gjør magnetkoblede pumper til meget miljøvennlige og trygge for omgivelsene. De er også meget driftsikre hvilket vil holde driftskostnadene nede.

 

Flojet Totton DC er beregnet primært for maskinbyggere der små dimensjoner og muligheter for individuelle tilpasninger er en fordel. Tilgjengelig med 12 V DC eller 24 V DC.


Slik virker magnetdriften.
En drivmagnet er montert på motorakselen og overfører kraften til en magnet som er montert på pumpehjulet . Pumpehuset er således helt lukket, uten en gjennomgående aksler som må tettes.

251557_812.eps

Applikasjoner

  • Storkjøkken oppvaskmaskiner
  • Medisinsk utstyr
  • Kjølevannspumpe
  • Kjemikaliehåntering
  • Overflatebehandling
  • Luftfuktere
  • Provetakingspumper for bassenger

 

Les mer
  • Maks. 35 l/m
  • Trykk maks. 0,5 bar
  • 12/24 V DC

Valgt variant

Flere varianter

Valgt variant

Tekniske data

Flow 35 l/min
Materiale aksel Rustfritt stål
Materiale O-ring Nitril
Materiale pumpehus Polypropylen
Motor power 25 W
Spenning 24 V
Temperaturområde fra -20 °C
Temperaturområde til 85 °C
Tilkobling Slangestuss 21 mm
Trykk maks. 0,5 bar
Vekt 0,7 kg

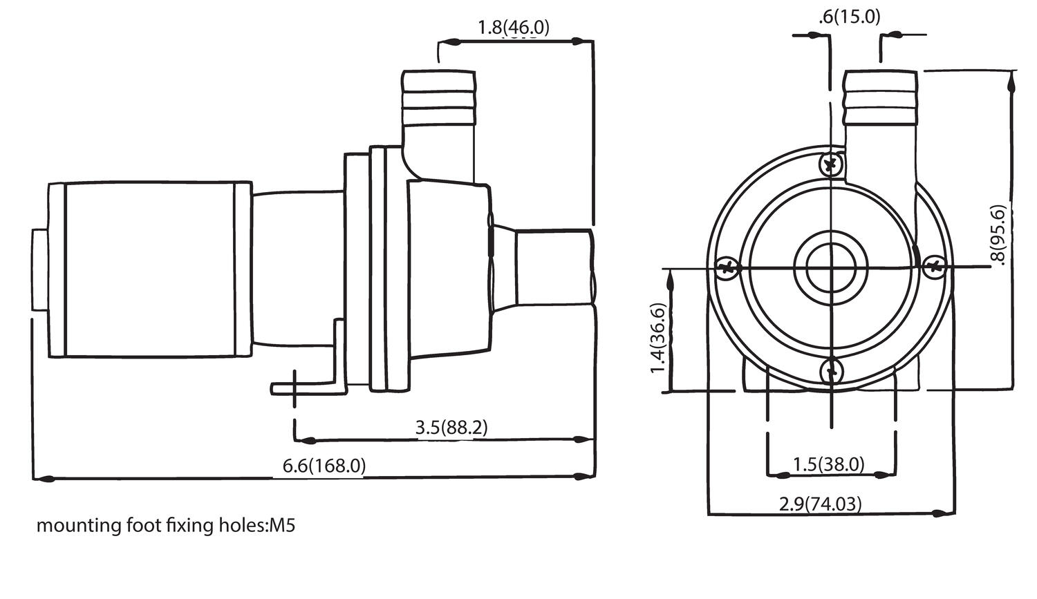
Mål og innkobling

Tekniske illustrasjoner

Produktbeskrivelse

 

Flojet Totton DC magnetkoblede sentrifugalpumper har lukket pumpehus og impeller som drives magnetisk. Ettersom pumpene ikke har gjennomgående aksel er de helt lekkasjefrie.

Flojet Totton DC er spesielt egnet til å pumpe etsende, miljøfarlige og verdifulle medier som absolutt ikke må lekke ut. Magnetkoblet sentrifufalpumpe egner seg også godt til å pumpe flyktige væsker med lav overflatespenning, som normalt er problematisk med tanke på tetting og lekkasjer.

Disse egenskapene gjør magnetkoblede pumper til meget miljøvennlige og trygge for omgivelsene. De er også meget driftsikre hvilket vil holde driftskostnadene nede.

 

Flojet Totton DC er beregnet primært for maskinbyggere der små dimensjoner og muligheter for individuelle tilpasninger er en fordel. Tilgjengelig med 12 V DC eller 24 V DC.


Slik virker magnetdriften.
En drivmagnet er montert på motorakselen og overfører kraften til en magnet som er montert på pumpehjulet . Pumpehuset er således helt lukket, uten en gjennomgående aksler som må tettes.

251557_812.eps

Applikasjoner

  • Storkjøkken oppvaskmaskiner
  • Medisinsk utstyr
  • Kjølevannspumpe
  • Kjemikaliehåntering
  • Overflatebehandling
  • Luftfuktere
  • Provetakingspumper for bassenger

 

Tilbehør



Lydfiler

Her er noen lydfiler

Relatert

Velg riktig pumpe
Kunnskap

Hvordan velge riktig pumpe til din applikasjon

Pumper spiller en avgjørende rolle i en rekke bransjer, fra kjemikaliehåndtering og vannbehandling til næringsmiddel- og prosessindustri. Riktig valg av pumpe er avgjørende for å sikre effektivitet, pålitelighet og lang levetid for systemet. For å finne den optimale løsningen er det nødvendig å ha en god forståelse av mediets egenskaper, driftsforholdene og spesifikke krav til applikasjonen. Nedenfor har vi samlet de viktigste spørsmålene som hjelper deg med å finne riktig pumpe til ditt behov.

Sentrifugalpumper fra Forani & Pecorari
Produktnyheter

Selvsugende sentrifugalpumper med meget høy kapasitet

Italienske Forani & Pecorari har spesialisert seg på utvikling og produksjon av sentrifugalpumper i bronse spesielt utviklet for små og mellomstore fiskefartøy, arbeidsbåter og større fritidsbåter.

Komponenter for spesielle kjøretøy
Kunnskap

Mobile kjøretøy i krevende miljøer

Utviklingen av mobile kjøretøy går raskt. Kravene til sikkerhet, levetid, miljøytelse og avansert funksjonalitet øker, samtidig som kjøretøyene må være kostnadseffektive, robuste og enkle å vedlikeholde. Hos OEM Automatic støtter vi deg gjennom hele prosessen. Med bred teknisk kompetanse og tett samarbeid med ledende produsenter hjelper vi deg med å velge riktige komponenter for de mest krevende miljøene.

Pumper til næaringsmiddel fra OEM Automatic AS
Produktnyheter

Vi har næringsmiddelpumper til de fleste hygieniske applikasjoner

Vi introduserer våre pålitelige og effektive pumper som er spesielt designet for næringsmiddelindustrien! Vårt omfattende utvalg av pumper er skreddersydd for å håndtere en rekke medier, og tilbyr uovertruffen ytelse og pålitelighet.

Spesialpumper for AdBlue, fatpumper fra Flux
Produktnyheter

Spesialpumper for AdBlue

AdBlue® bidrar til å gjøre dieselmotorer mer miljøvennlige, men stiller samtidig klare krav til hvordan væsken håndteres. For å sikre driftssikker og ren påfylling er det avgjørende å bruke pumper som er utviklet spesielt for dette formålet. OEM Automatic AS tilbyr løsninger som er tilpasset både væskens egenskaper og praktiske behov i ulike applikasjoner.

Faglig påfyll hos PTG med Hermetic
Firmanyheter

Kjølepumpeopplæring hos PTG i vakre Malmefjorden

I desember gjennomførte vi en heldags kjølepumpeopplæring hos PTG i Malmefjorden. Sammen med vår mangeårige samarbeidspartner HERMETIC-Pumpen GmbH samlet vi PTGs kjøleingeniører til en praktisk og teknisk gjennomgang av kjølepumper til deres applikasjoner.

Artikler Materiale O-ring Spenning Pris
Nitril
24 V
EPDM
12 V

Valgt variant

Velg variant i listen

Trenger du teknisk hjelp?

Mikko Mannermaa

Produktansvarlig

Kundesupport
For pris og leveringstid, logg inn eller ta kontakt med vår kundesupport
32 21 05 05
Send e-post
Trenger du hjelp?
Logo

Cookie-innstillinger for oem.no

Informasjonskapsler hjelper oss å forbedre opplevelsen din hos oss. Så for å kunne analysere trafikken, håndtere påloggingsinformasjon, tilby deg personlig informasjon og for at grunnleggende funksjonalitet skal fungere på nettsiden, må vi bruke noen informasjonskapsler.

Nødvendige informasjonskapsler

Disse informasjonskapslene er nødvendige for at nettstedet skal fungere og kan ikke slås av i våre systemer. De brukes vanligvis kun som svar på handlinger du har utført i forbindelse med en tjenesteforespørsel, for eksempel når du angir personlige preferanser, logger på eller fyller ut et skjema.

Analyse og måling

Disse informasjonskapslene lar oss telle antall besøk og trafikkkilder slik at vi kan måle og forbedre nettstedets ytelse. De hjelper oss å vite hvilke sider som er mer eller mindre populære og hvordan besøkende navigerer rundt på nettstedet. Informasjonen som disse informasjonskapslene samler inn er aggregert og derfor helt anonym. Hvis du ikke tillater disse informasjonskapslene, vet vi ikke når du har besøkt nettsiden vår.

Markedsføring

Disse informasjonskapslene kan legges til av våre partnere. De kan bruke dem til å lage en profil av deg, basert på dine interesser, for å vise deg mer relevant informasjon. De lagrer ingen personlig informasjon - kun informasjon om nettleseren din og enheten din. Hvis du ikke godtar disse informasjonskapslene, vil du få en mer generell og mindre tilpasset brukeropplevelse.