
 
       
       
       
       
      PLe
 
      PLc
 
      PLe
 
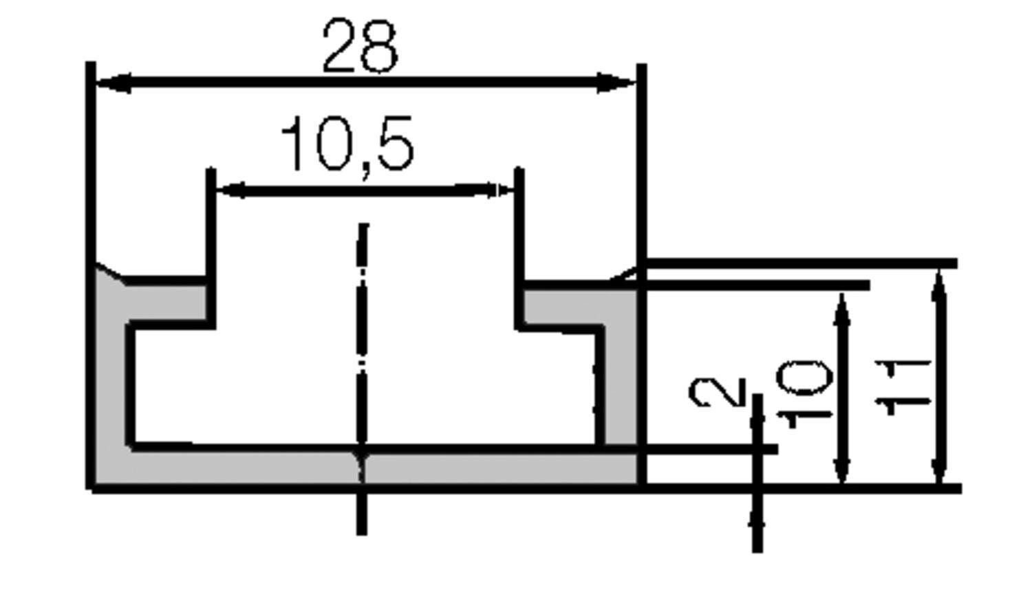
              Våre klemlister kan enten monteres på egen hånd eller bestilles ferdigmontert fra fabrikken eller produktforedlingen på lageret vårt, mot et pristillegg. Det gjør at vi kan levere en effektiv og komplett monteringsløsning for klemlister, slik at du kan ta klemlisten i bruk umiddelbart ved levering.
 
              
                  Med PROFIsafe over PROFINET får du en løsning som kombinerer høyeste sikkerhetsnivå med sømløs kommunikasjon og enkel installasjon.
Maskinsikkerhet blir stadig mer integrert og nettverksbasert, og hos OEM Automatic finner du låsbare håndtak og brytere med PROFIsafe som gir høy driftssikkerhet, kortere nedetid og enklere konstruksjon. Alle produktene våre er robuste, konfigurerbare og uavhengige av merke, og de kan enkelt integreres i både nye og eksisterende automasjonssystemer.
                
 
              Representanter fra OEM Automatic AS har nylig besøkt hovedkontoret til OEM Automatic AB i Tranås. Sammen med kollegaer fra Sverige, Finland og Danmark fikk de faglig påfyll, produktopplæring og inspirasjon fra både leverandører og interne foredragsholdere.
 
              I Norge har vi et avansert og godt utbygget system for håndtering av vann og avløp. Systemet er avgjørende for både folkehelsen, miljøet og en bærekraftig samfunnsutvikling. Det norske vann- og avløpssystemet (ofte forkortet til VA-systemet) omfatter produksjon og distribusjon av drikkevann, samt innsamling, transport og rensing av avløpsvann.
 
              Å ha full kontroll over omgivelsene er avgjørende for sikkerheten ved arbeid med anleggsmaskiner og kjøretøy. Med OEM Automatics Ethernetkamera EMOS og den tilhørende digitale Ethernet Monitor ELED får du et robust kamerasystem som er utviklet for å fungere i krevende miljøer, der vibrasjoner og tøffe forhold er en del av hverdagen.
 
              Å velge riktig gulvskap handler om mer enn kapslingsgrad og materiale. For deg som jobber med skapbygging, konstruksjon eller installasjon er det minst like viktig at løsningen er enkel å håndtere, kan tilpasses ulike behov og er kostnadseffektiv, uten å gå på kompromiss med kvaliteten. Med Quadritalias OK-serie får du nettopp dette.
 
            
        Therese Reenaas Ekeberg