ASCO

Pilotventil, 3/2-funktion

Serie 192

Asco sin ventil "192" serien passer utmerket som pilotventil til ISO4 ventiler. Den kan også monteres direkte på en basplate.

 

Les mer
  • Flow opp til 112 Nl/min
  • 0-16 bar
  • Låsbar MO-funksjon
  • For basplate

Valgt variant

Flere varianter

Valgt variant

Tekniske data

Differansetrykk maks. 12 bar
Differansetrykk min. 0 bar
Effektforbruk 3 W
Flow maks. 154 l/min
Flowfaktor/Flowkoeffisient 2,2
Fraslagforsinkelse 7 ms
Funksjon 3/2, Elstyrt med fjærretur, Normalt stengt
Gjennomløp 2,3 mm
IP-klasse IP65
Manuell overstyring Nei
Materiale hus PA
Materiale interne deler Rustfritt stål
Materiale kortslutningsring Kobber
Materiale spole Termoplast
Materiale stempel Rustfritt stål
Materiale tetninger NBR
Medie Trykkluft og nøytrale gasser
Montering Basplate
Spenning DC 24 V
Spoletype Størrelse 30
Temperaturområde fra -10 °C
Temperaturområde til 60 °C
Tilkobling port 3 M5
Trykk maks. 16 bar
Type ventil Elektrisk styrt
Vekt 0,27 kg

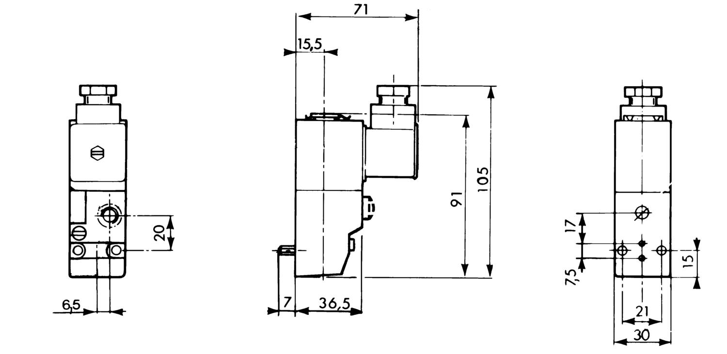
Mål og innkobling

Tekniske illustrasjoner

Produktbeskrivelse

Asco sin ventil "192" serien passer utmerket som pilotventil til ISO4 ventiler. Den kan også monteres direkte på en basplate.

 

Tilbehør

Relaterte produkter



Lydfiler

Her er noen lydfiler

Relatert

XV serien
Produktnyheter

Økt fleksibilitet og produktivitet med Aventics XV-Ventilterminal

Aventics XV-serien fra Emerson gir mulighet for økt fleksibilitet og effektivitet i produksjonssystemer. Den moderne ventilteknologien i denne serien forbedrer bruken av trykkluft og optimaliserer ytelsen i pneumatiske systemer. Med sin kompakte design sparer XV-serien plass i kontrollskapet, samtidig som ventilene har lang levetid og krever minimalt vedlikehold. Dette gir økt driftstid og gjør serien til et godt valg for dagens krevende produksjonsmiljøer.

Sitek
Produktnyheter

full kontroll og regulering av dine pneumatiske systemer

Med produkter fra vår leverandør SITEK, sørger vi for at ditt pneumatiske system får en avbruddfri drift ved vedlikehold og service. Omkoblingsbare dobbelfilter og fordelingslister med avstengningsventiler er enkle i bruk og gjør bytte av urene/støvete filter eller defekte ventiler raskt og effektivt. Dette gir mindre nedetid og sparte kostnader.

Kjapp leveranse pneumatikk
Produktnyheter

Vi tilbyr raske leveranser av pneumatikk komponenter

OEM Automatic har siden 2020 utviklet et samarbeid med produsenten Aventics og er i dag en videre forselger av deres brede pneumatikksortiment i de nordiske landene. Aventics har lang erfaring og kunnskap innen automasjonsindustrien. Gjennom å ha mengder med pneumatiske komponenter på vårt lager, gir vi deg som kunde en fordel ved å velge OEM Automatic som leverandør.

Aventics_OEM Automatic
Produktnyheter

Aventics - Verdensledende på pneumatikkomponenter

Vi har nå full tilgang på Aventics sitt produktsortiment. Dette gir oss mulighet til å tilby et komplett sortiment med unike og kostnadseffektive løsninger.

Vann og avløp
Kunnskap

Løsninger for vann og avløp

I Norge har vi et avansert og godt utbygget system for håndtering av vann og avløp. Systemet er avgjørende for både folkehelsen, miljøet og en bærekraftig samfunnsutvikling. Det norske vann- og avløpssystemet (ofte forkortet til VA-systemet) omfatter produksjon og distribusjon av drikkevann, samt innsamling, transport og rensing av avløpsvann.

En guide til pneumatikk
Kunnskap

Vår guide til pneumatikk

Pneumatiske ventiler finnes overalt i industrien. For eksempel som pilotstyring til en prosessventil som regulerer en flow, som lufttilførsel til en vakuumenhet på en robotarm som løfter kartonger, eller som en av/på-ventil for lufttilførsel til en luftdrevet boltpistol.

Artikler Differansetrykk maks. Flow maks. Flowfaktor/Flowkoeffisient Funksjon Gjennomløp Manuell overstyring Spenning AC Spenning DC Pris
12 bar
154 l/min
2,2
3/2, Elstyrt med fjærretur, Normalt stengt
2,3 mm
Nei
24 V
12 bar
154 l/min
2,2
3/2, Elstyrt med fjærretur, Normalt stengt
2,3 mm
Nei
230 V
12 bar
154 l/min
2,2
3/2, Elstyrt med fjærretur, Normalt stengt
2,3 mm
Ja
24 V
12 bar
154 l/min
2,2
3/2, Elstyrt med fjærretur, Normalt stengt
2,3 mm
Ja
230 V
12 bar
154 l/min
2,2
3/2, Elstyrt med fjærretur, Normalt stengt
2,3 mm
Ja
24 V
12 bar
154 l/min
2,2
3/2, Elstyrt med fjærretur, Normalt stengt
2,3 mm
Ja
230 V
10 bar
112 l/min
1,6
3/2, Elstyrt med fjærretur, Normalt åpen
2,1 mm
Ja
24 V
10 bar
112 l/min
1,6
3/2, Elstyrt med fjærretur, Normalt åpen
2,1 mm
Ja
230 V
10 bar
112 l/min
1,6
3/2, Elstyrt med fjærretur, Normalt åpen
2,1 mm
Ja
24 V
10 bar
112 l/min
1,6
3/2, Elstyrt med fjærretur, Normalt åpen
2,1 mm
Ja
230 V
10 bar
63 l/min
0,9
3/2, Elstyrt med fjærretur, Universal
1,5 mm
Ja
24 V
10 bar
63 l/min
0,9
3/2, Elstyrt med fjærretur, Universal
1,5 mm
Ja
230 V
10 bar
63 l/min
0,9
3/2, Elstyrt med fjærretur, Universal
1,5 mm
Ja
24 V
10 bar
63 l/min
0,9
3/2, Elstyrt med fjærretur, Universal
1,5 mm
Ja
230 V
10 bar
63 l/min
0,9
3/2, Elstyrt med fjærretur, Universal
1,5 mm
Ja
24 V
10 bar
63 l/min
0,9
3/2, Elstyrt med fjærretur, Universal
1,5 mm
Ja
230 V

Valgt variant

Velg variant i listen

Trenger du teknisk hjelp?

Jan Kristian Jansen

Kundesupport
For pris og leveringstid, logg inn eller ta kontakt med vår kundesupport
32 21 05 05
Send e-post
Trenger du hjelp?
Logo

Cookie-innstillinger for oem.no

Informasjonskapsler hjelper oss å forbedre opplevelsen din hos oss. Så for å kunne analysere trafikken, håndtere påloggingsinformasjon, tilby deg personlig informasjon og for at grunnleggende funksjonalitet skal fungere på nettsiden, må vi bruke noen informasjonskapsler.

Nødvendige informasjonskapsler

Disse informasjonskapslene er nødvendige for at nettstedet skal fungere og kan ikke slås av i våre systemer. De brukes vanligvis kun som svar på handlinger du har utført i forbindelse med en tjenesteforespørsel, for eksempel når du angir personlige preferanser, logger på eller fyller ut et skjema.

Analyse og måling

Disse informasjonskapslene lar oss telle antall besøk og trafikkkilder slik at vi kan måle og forbedre nettstedets ytelse. De hjelper oss å vite hvilke sider som er mer eller mindre populære og hvordan besøkende navigerer rundt på nettstedet. Informasjonen som disse informasjonskapslene samler inn er aggregert og derfor helt anonym. Hvis du ikke tillater disse informasjonskapslene, vet vi ikke når du har besøkt nettsiden vår.

Markedsføring

Disse informasjonskapslene kan legges til av våre partnere. De kan bruke dem til å lage en profil av deg, basert på dine interesser, for å vise deg mer relevant informasjon. De lagrer ingen personlig informasjon - kun informasjon om nettleseren din og enheten din. Hvis du ikke godtar disse informasjonskapslene, vil du få en mer generell og mindre tilpasset brukeropplevelse.