Tidsreleer spiller en nøkkelrolle innen industriell automatisering og styring ved å muliggjøre presis tidsstyring av prosesser og maskiner. Vårt utvalg av tidsreleer fra Crouzet tilbyr mange funksjonsvarianter for å møte behovene i alle applikasjoner der tidsstyring er nødvendig. De multifunksjonelle tidsreleene har opptil 12 funksjoner integrert i ett enkelt relé, noe som gjør dem spesielt praktiske ved servicearbeid – du kan enkelt velge ønsket funksjon etter behov.
Kunnskap
| TYPE | FUNKSJONER | UTGANG | TILKOBLING | DRIFTSSPENNNING | BESTILLNINGSNUMMER | |
|---|---|---|---|---|---|---|
| BM1R | A, Ac, At, B, C, D, Di, H, Ht, N, TL, Tt | 1 vekselrelé 16 A | Skruetilkobling | 12-240 V AC/DC | BM1R16MV1 | |
| BM2R | A, Ac, At, B, C, D, Di, H, Ht, N, TL | 2 vekselreleer 8 A | Skruetilkobling | 12-240 V AC/DC | BM2R08MV1 | |
| BA1R | A, At - Forsinket tilkobling | 1 vekselrelé 16 A | Skruetilkobling | 12-240 V AC/DC | BA1R16MV1 | |
| BA2R | A, At - Forsinket tilkobling | 2 vekselreleer 8 A | Skruetilkobling | 12-240 V AC/DC | BA2R08MV1 | |
| BL1R | L, Li – Pause-/gangtidfunksjon | 1 vekselrelé 16 A | Skruetilkobling | 12-240 V AC/DC | BL1R16MV1 | |
| BL2R | L, Li – Pause-/gangtidfunksjon | 2 vekselreleer 8 A | Skruetilkobling | 12-240 V AC/DC | BL2R08MV1 |
| TYPE | FUNKSJONER | UTGANG | TILKOBLING | DRIFTSSPENNNING | BESTILLNINGSNUMMER | |
|---|---|---|---|---|---|---|
| PU2R | A, Ac, Ad, At, B, Bw, C, D, Di, H, Ht | 2 vekselreleer 10 A | Sokkelmontert | 12-240 V AC/DC | PU2R10MV1 | |
| PA2R | A, At | 2 vekselreleer 10 A | Sokkelmontert | 12-240 V AC/DC | PA2R10MV1 | |
| PC2R | C - Forsinket tilkobling | 2 vekselreleer 10 A | Sokkelmontert | 12-240 V AC/DC | PC2R10MV1 | |
| PL2R | L, Li - Forsinket tilkobling | 2 vekselreleer 10 A | Sokkelmontert | 12-240 V AC/DC | PL2R10MV1 |
| TYPE | FUNKSJONER | UTGANG | TILKOBLING | DRIFTSSPENNNING | BESTILLNINGSNUMMER | |
|---|---|---|---|---|---|---|
| DZ1R | A, Ab, Ac, Ad, Ah, At, B, Bw, C, D, Di, H, Ht, L, Li, O, N, P, Pt, T, TL, Tt, W |
1 vekselrelé 8A | Skruetilkobling | 12-240 V AC/DC | DZ1R08MV1 |
| TYPE | FUNKSJONER | UTGANG | TILKOBLING | DRIFTSSPENNNING | BESTILLNINGSNUMMER | |
|---|---|---|---|---|---|---|
| MUR1 | A, Ac, At, B, Bw, C, D, Di, H, Ht | 1 kontakt | Skruetilkobling | 24 V DC/24-240 V AC | 88827105 | |
| MAR1 | A, At - Forsinket tilkobling | 1 kontakt | Skruetilkobling | 24 V DC/24-240 V AC | 88827115 | |
| MBR1 | B - Justerbar pulslengde | 1 kontakt | Skruetilkobling | 24 V DC/24-240 V AC | 88827125 | |
| MCR1 | C - Frakoblingsforsinkelse | 1 kontakt | Skruetilkobling | 24 V DC/24-240 V AC | 88827135 | |
| MHR1 | H - Invertert tilkobling, Ht - Invertert tilkobling akkumulert tid (blokkering) | 1 kontakt | Skruetilkobling | 24 V DC/24-240 V AC | 88827145 | |
| MLR1 | L, Li – Paus-/gångtidfunktion | 1 kontakt | Skruetilkobling | 24 V DC/24-240 V AC | 88827155 | |
| MXR1 | Ad, Ah, N, O, P, Pt, TL, Tt, W | 1 kontakt | Skruetilkobling | 24 V DC/24-240 V AC | 88827185 | |
| MUR3 | A, Ac, At, B, Bw, C, D, Di, H, Ht | 1 kontakt | Skruetilkobling | 12-240 V AC/DC | 88827103 | |
| MUS2 | A, Ac, At, B, Bw, C, D, Di, H, Ht | Statisk utgang | Skruetilkobling | 24-240 V AC | 88827004 | |
| MAS5 | A - Forsinket tilkobling, At - Forsinket tilkobling akkumulert tid (blokkering) | Statisk utgang | Skruetilkobling | 24-240 V AC/DC | 88827014 | |
| MHS2 | H - Invertert tilkobling, Ht - Invertert tilkobling akkumulert tid (blokkering) |
Statisk utgang | Skruetilkobling | 24-240 V AC | 88827044 | |
| MLS2 | L, Li – Pause-/gangtidfunksjon | Statisk utgang | Skruetilkobling | 24-240 V AC | 88827054 |
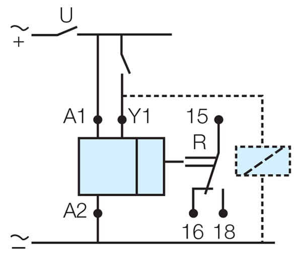
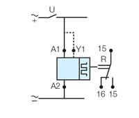
Driftsspenningen A1-A2 er tilkoblet. Når Y1 tilkobles, bytter releet fra 15-16 til 15-18. Tidtakingen starter først når Y1 frakobles. Releet går tilbake til 15-16 når innstilt tid er utløpt. Hvis Y1 tilkobles før tidtakingen er ferdig, nullstilles tiden. 2 tidskontakter eller 1 vekslende, hvorav 1 kan være momentan.
Når driftsspenningen A1-A2 tilkobles starter tidtakingen. Releet begynner med pause og bytter fra 15-16 til 15-18, og går deretter tilbake til 15-16. Prosessen gjentas så lenge driftsspenningen A1-A2 er tilkoblet. Innstilt tid T er den samme for både pause og gangtid.
2 vekslende hvorav 1 kan være momentan.
Når driftsspenningen A1-A2 tilkobles, starter
tidtakingen. Releet bytter umiddelbart fra 15-16 til 15-18 og går deretter tilbake til 15-16. Prosessen gjentas så lenge driftsspenningen A1-A2 er tilkoblet. Innstilt tid T er den samme for både pause og gangtid.
2 vekslende hvorav 1 kan være momentan.
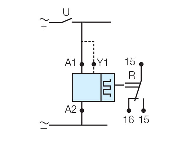
OBS! Y1 må være lukket når driftsspenningen
A1-A2 tilkobles, ellers vil funksjonen være H.
Y1 slås av og på vekselvis. Når den totale ”åpne” tiden når innstilt tid, går releet tilbake fra 15-18 til 15-16 (posisjonen 15-18 oppstod da driftsspenningen A1-A2 ble tilkoblet).
2 vekslende hvorav 1 kan være momentan.
Når driftsspenningen A1-A2 tilkobles, starter den første tidtakingen T1. Etter innstilt tid bytter utgangsreleet, og tidtakingen T2 starter. Syklusen fortsetter til manøverspenningen på A1-A2 forsvinner. T1 og T2 kan stilles inn uavhengig av hverandre. 2 tidskontakter.
Etter første puls på Y1 bytter releet fra 15-16 til 15-18. Hvis tiden mellom to pulser overskrider innstilt tid, går releet tilbake til 15-16, uavhengig av om signalet er på eller av.
Multifunksjon

1 kontakt

2 kontakter
Funksjon: A/H/L



Martin Stensland