Signalomformere

Lær deg mer om signalomformere

I denne artikkelen utforsker vi funksjonene til signalomformere, deres bruksområder, og forklarer forskjellen mellom aktiv og passiv galvanisk isolasjon. Vi gir deg også en oversikt over vårt sortiment og tips om hvordan du velger riktig signalomformer for akkurat din applikasjon.

Kunnskap

Hva gjør en signalomformer?

Signalomformere spiller en viktig rolle i industrielle applikasjoner ved å konvertere analoge målesignaler, måle temperaturer, og forbedre signalbehandling gjennom forsterkning eller galvanisk isolasjon. 

NOEN VANLIGE BRUKSOMRÅDER

• Konvertering av et standardsignal til et annet, f.eks. innsignal 4-20 mA til utsignal 0-10 VDC
• Konvertering av en spesiell signaltype til et standardsignal, for eksempel 0-3 VDC inn/4-20 mA ut
• Galvanisk isolasjon mellom inn- og utsignal
• Måling av for eksempel temperatur, strøm, spenning, effekt, motstand
• Forsterkning av lave signaler til et mer stabilt standardsignal

For å sikre pålitelig funksjon er det avgjørende at overføringen mellom inn- og utsignal skjer uten forvrengning eller annen forringelse av signalet. Våre signalomformere oppfyller dagens strenge krav til nøyaktighet, isolasjon, kompakt design og enkel installasjon.

HVA ER DE VANLIGSTE STANDARDSIGNALENE?

I dag er det desidert vanligste standardsignalet 4-20 mA. 0-20 mA forekommer også, i eldre anlegg og produkter. Ulempen med 0-20 mA er at målesystemet ikke kan oppdage kabelbrudd med dette signalet. To andre vanlige signaler inkluderer 0-10 VDC og ±10 VDC. Felles for disse standardsignalene er at de heller ikke kan oppdage kabelbrudd. I tillegg er spenningbaserte signaler mer følsomme for faktorer som kabelresistans, noe som kan påvirke måleresultatet og føre til feilmålinger.

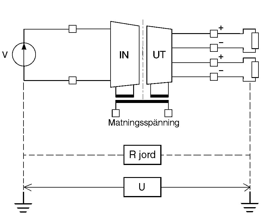
HVA ER GALVANISK ISOLASJON?

Galvanisk isolasjon betyr at signalomformeren ikke har noen elektrisk kontakt mellom inngang og utgang. Omformerne finnes med to- eller tre-veis galvanisk isolasjon. Med tre-veis galvanisk isolasjon er også driftsspenningen atskilt fra inn- og utgangssiden, mens med to-veis galvanisk isolasjon er driftsspenningen koblet sammen med utsignalet.

HVA ER FORDELENE MED GALVANISK ISOLASJON?

Det vanligste problemet med overføring av analoge signaler over lange kabelstrekk er spenningsforskjeller mellom giveren og inngangen til mottakerelektronikken.

Ulik motstand i jordpunktene gir opphav til en uønsket strøm i målekretsen. Denne strømmen kan påvirke prosessignalet og føre til feilaktige måleverdier, og i verste fall skade dyre inngangskort.

Med galvanisk isolerte omformere forhindrer man effektivt strømsløyfer fra å oppstå mellom inn- og utsignal eller driftsspenning. Da står man kun igjen med det faktiske prosessignalet.

Forstyrrelser fra induktive og kapasitive laster kan være svært kraftige. Ved å bruke en signalomformer med galvanisk isolasjon beskytter man effektivt dyre innganger fra høye spenninger som genereres på omformerens inngangsside.

 

AKTIV ELLER PASSIV GALVANISK ISOLASJON?

En passiv isolasjonsforsterker trenger ikke separat driftsspenning, noe som er en fordel når mange kanaler skal isoleres, da installasjonen blir enklere. Denne typen omformer håndterer kun 4-20mA-signaler, så for andre signalomforminger må andre typer omformere velges.

En aktiv isolasjonsforsterker har fordelen av at nøyaktigheten er den samme uansett belastningsmotstand innenfor det angitte motstandsområdet. Omformeren forsynes med separat driftsspenning og genererer et aktivt utsignal. Driftsspenningen er vanligvis 24 V DC eller noen ganger 230 V AC. En aktiv isolasjonsforsterker anbefales hvis man ikke vet hvilken eller hvilke laster som skal kobles til på utgangssiden.


VÅRT SORTIMENT AV SIGNALOMFORMERE

Hos oss tilbyr vi flere ulike varianter av signalomformere. Hvilken du bør velge, avhenger i stor grad av de utfordringene du står overfor, både med tanke på applikasjon og spesifikke krav. Nedenfor gir vi en kort forklaring av de ulike typene.

ENFUNKSJONSOMFORMER/ISOLASJONSFORSTERKER

Enfunksjonsomformere er et svært kostnadseffektivt valg hvis man kjenner til ønskede inn- og utsignaler. Signalomformerne bestilles med et fast inn- og utsignal.

Omformerne har 3-veis galvanisk isolasjon på 2500 V, og bredden er kun 6,2 mm, noe som gjør dem svært egnet der mange signaler skal behandles.

FLERFUNKSJONSOMFORMERE

Flerfunksjonsomformere programmeres enkelt ved hjelp av en DIP-switch og kan erstatte alle enfunksjonsomformere. De er derfor godt egnet som reservedeler i systemer med ulike enfunksjonsmodeller, uten behov for etterjustering.

Omformerne har 3-veis galvanisk isolasjon på 2500 V, og bredden er kun 6,2 mm.

MULTIOMFORMERE

Multiomformere gir stor allsidighet, og ønsket inn- og utsignal programmeres enkelt med DIP-switcher. Et bredt spekter av signalalternativer kan velges. Bredden er kun 17,5 mm, og de har 3-veis galvanisk isolasjon på 4 kV.

De fleste omformerne har multispenningsforsyning på 24-230 V AC/DC (driftsspenning).

UNIVERSALOMFORMERE

Universalomformerne omfatter flere modeller som kan programmeres for langt flere kombinasjoner av inn- og utsignaler enn våre andre omformere. De kan for eksempel håndtere både strøm og spenning, og er ofte et godt valg for uvanlige innsignaler, som 0-100mV eller ved polaritetsvending av signaler som +/-10 VDC.

Det finnes også modeller med display som kan brukes både til å vise gjeldende måleverdi og til programmering.


Se de ulike produktene her

Trenger du teknisk hjelp?

Joachim Bjelland

Kundesupport
For pris og leveringstid, logg inn eller ta kontakt med vår kundesupport
32 21 05 05
Send e-post

Kan vi hjelpe deg? Ta kontakt!

Finner du ikke det du søker, eller kan vi hjelpe deg på en annen måte? Fyll ut skjemaet nedenfor, så kommer vi tilbake til deg så snart vi kan!

Takk for at du tar kontakt med oss!

Takk for at du tar kontakt med oss på OEM Automatic! Vi vil komme tilbake til deg så snart vi kan.

Oops noe gikk galt!

Noe ser ut til å ha gått galt. Vennligst prøv igjen, eller ta direkte kontakt med vår kundesupport på [email protected] eller 32 21 05 05.
Trenger du hjelp?
Logo

Cookie-innstillinger for oem.no

Informasjonskapsler hjelper oss å forbedre opplevelsen din hos oss. Så for å kunne analysere trafikken, håndtere påloggingsinformasjon, tilby deg personlig informasjon og for at grunnleggende funksjonalitet skal fungere på nettsiden, må vi bruke noen informasjonskapsler.

Nødvendige informasjonskapsler

Disse informasjonskapslene er nødvendige for at nettstedet skal fungere og kan ikke slås av i våre systemer. De brukes vanligvis kun som svar på handlinger du har utført i forbindelse med en tjenesteforespørsel, for eksempel når du angir personlige preferanser, logger på eller fyller ut et skjema.

Analyse og måling

Disse informasjonskapslene lar oss telle antall besøk og trafikkkilder slik at vi kan måle og forbedre nettstedets ytelse. De hjelper oss å vite hvilke sider som er mer eller mindre populære og hvordan besøkende navigerer rundt på nettstedet. Informasjonen som disse informasjonskapslene samler inn er aggregert og derfor helt anonym. Hvis du ikke tillater disse informasjonskapslene, vet vi ikke når du har besøkt nettsiden vår.

Markedsføring

Disse informasjonskapslene kan legges til av våre partnere. De kan bruke dem til å lage en profil av deg, basert på dine interesser, for å vise deg mer relevant informasjon. De lagrer ingen personlig informasjon - kun informasjon om nettleseren din og enheten din. Hvis du ikke godtar disse informasjonskapslene, vil du få en mer generell og mindre tilpasset brukeropplevelse.