STEGO

Elektronisk hygrostat

EFR012

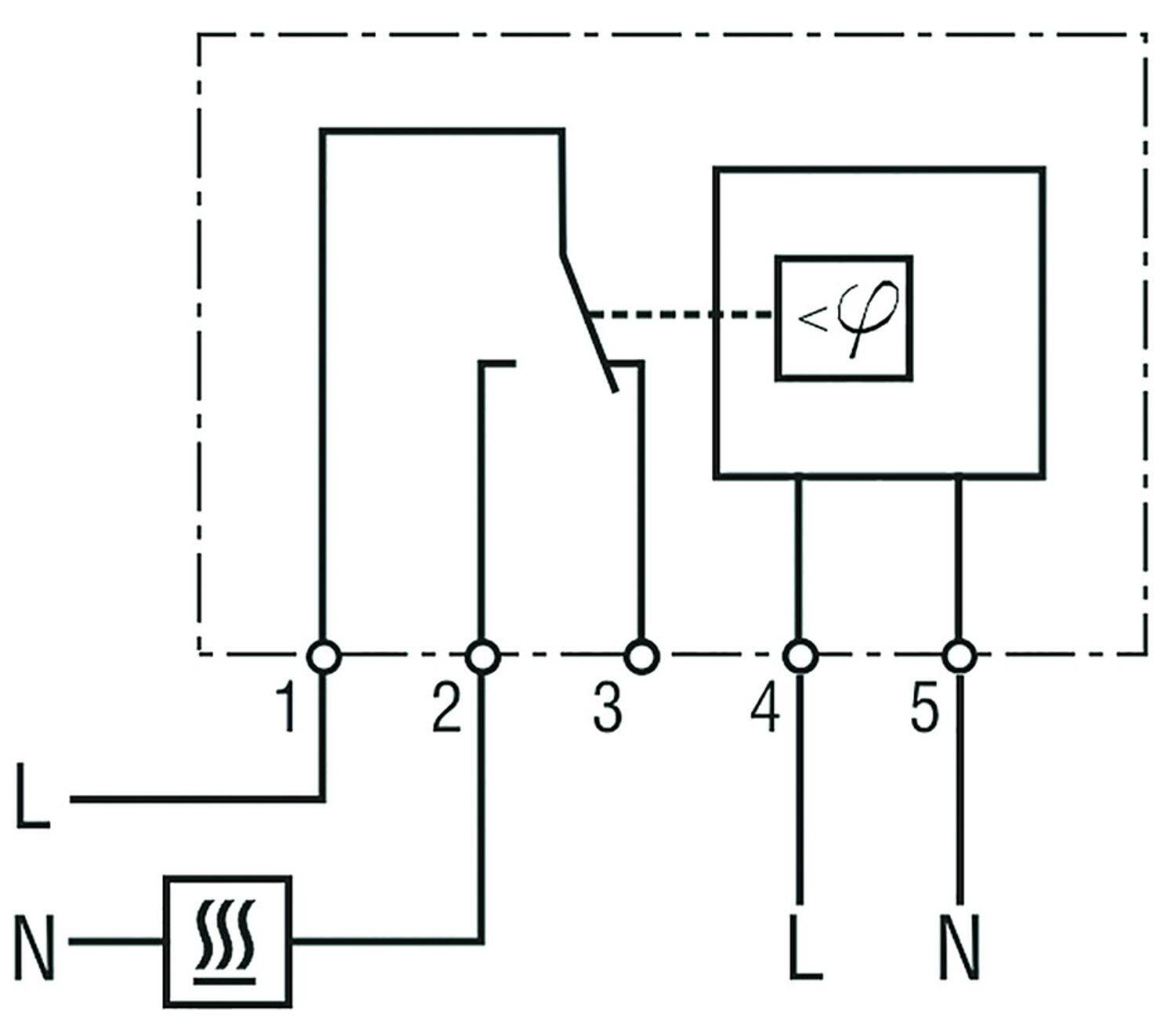
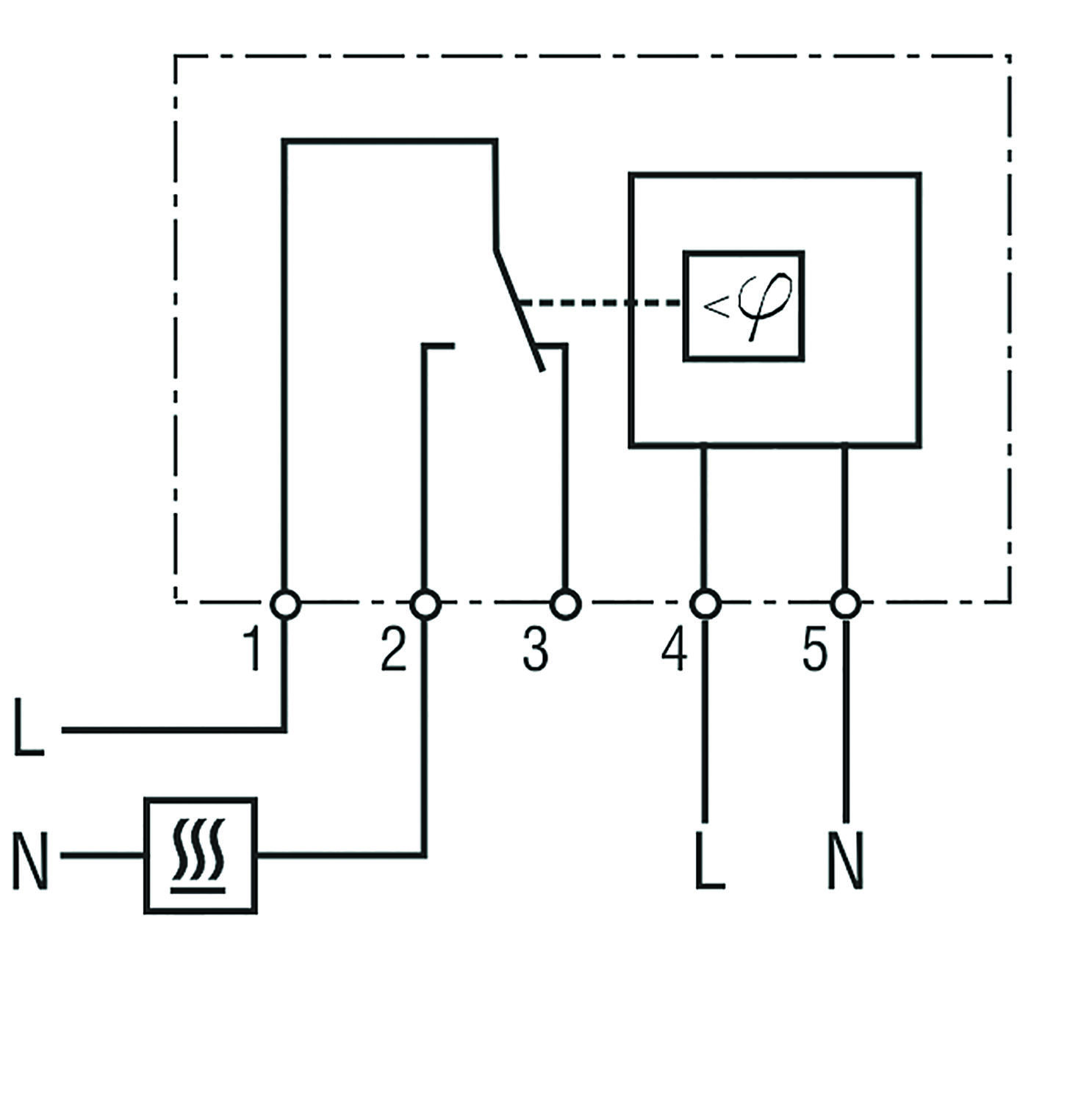
Den elektroniske hygrostaten EFR012 føler på relativ fuktighet (RF).

Ved oppnådd verdi slutter den vekslende kontakten, og en varmevifte kan startes for å forhindre at det skapes kondens.

 

Denne er tilpasset for å fungere f.eks. i elektrotavler og skap med elektriske/elektroniske komponenter.

 

En LED indikering i hygrostaten lyser når hygrostaten er aktivert, og varmeviften er i drift.

 

Hygrostat EFR012 finnes med justerbare verdier, alternativt med forhåndsinstille verdier.

 

Anbefalinger gjeldene den relativa fuktigheten (RF) i en elektrotavle:

65 % luftfuktighet (RF) – for de fleste tavler med normal luftfuktighet.

50 % luftfuktighet (RF) – for tavler med komponenter som er følsomme mot for høy luftfuktighet.

 

 

Les mer
  • Innstilling 40-90 % rf eller fast
  • Hysterese 5 % rF
  • Luftfuktighetsregulering
  • LED-indikering

Valgt variant

Flere varianter

Valgt variant

Tekniske data

Bredde 42 mm
Driftstemperatur 0 °C ... +60°C
Dybde 38 mm
Farge Lysegrå
Flammeklasse UL94-V0
Frekvens 50/60 Hz
Fuktighet drift < 90% RH
Fuktighet lagring <90% RH
Godkjenninger CE, cULus, EAC, RoHS, UL, UL E164102, VDE
Hysterese luftfuktighet 5% RH @ 25°C @ 50% RH
Høyde 64,5 mm
Innrusningsstrøm maks. 16 A
IP-klasse IP20
Kontakttype Vekselkontakt
Materiale hus Plast
Montering Clip on, DIN-skinne
Oppbevaringstemperatur -20°C ... +70°C
Reguleringsområde fukt fra 40 % RF
Reguleringsområde fukt til 90 % RF
Spenning maks. 230 V ac
Spenning min. 230 V ac
Vekt 0,07 kg

Produktbeskrivelse

Den elektroniske hygrostaten EFR012 føler på relativ fuktighet (RF).

Ved oppnådd verdi slutter den vekslende kontakten, og en varmevifte kan startes for å forhindre at det skapes kondens.

 

Denne er tilpasset for å fungere f.eks. i elektrotavler og skap med elektriske/elektroniske komponenter.

 

En LED indikering i hygrostaten lyser når hygrostaten er aktivert, og varmeviften er i drift.

 

Hygrostat EFR012 finnes med justerbare verdier, alternativt med forhåndsinstille verdier.

 

Anbefalinger gjeldene den relativa fuktigheten (RF) i en elektrotavle:

65 % luftfuktighet (RF) – for de fleste tavler med normal luftfuktighet.

50 % luftfuktighet (RF) – for tavler med komponenter som er følsomme mot for høy luftfuktighet.

 

 

Tilbehør



Lydfiler

Her er noen lydfiler

Relatert

MCB eller ECB for DC-kretser?
Kunnskap

Hva er best for DC-kretser, MCB eller ECB?

I likestrømskretser brukes det gjerne to hovedtyper beskyttelse, MCB (miniatyrsikringsbryter) og ECB (elektronisk sikringsbryter). For å velge riktig løsning må du forstå bruksområdet, planlegge systemet grundig og ofte sette av betydelige tekniske ressurser. Når applikasjonen endres, må du dessuten vurdere på nytt om den eksisterende bryteren fortsatt tilbyr tilstrekkelig beskyttelse for de tilkoblede lastene.

Kompakt og driftssikker motorstarter fra Lovato
Produktnyheter

Lovato ME-serien – kompakt og driftssikker motorstyring

När utrymmet är begränsat och driften kräver många start och stopp är en traditionell kontaktor inte alltid den mest effektiva lösningen. Då kan en elektronisk motorstartare vara ett smartare alternativ. Lovato Electrics ME-serie erbjuder en kompakt, robust och säker motorstyrning som kombinerar fördelarna hos elektronisk och mekanisk teknik – i en enhet som är både platsbesparande och extremt slitstark.

NFC-programmerbare tidsreleer fra Lovato
Produktnyheter

Nye NFC-programmerbare tidsreleer

Lovato Electric utvider sortimentet av modulære tidsreleer med to nye modeller som kombinerer moderne teknologi med høy brukervennlighet. Begge modellene har innebygd Real Time Clock (RTC) med backup-batteri og NFC-tilkobling som gjør programmeringen enkel, rask og fleksibel.

På besøk hos OEM Automatic i Tranås
Firmanyheter

Faglig påfyll i Tranås

Representanter fra OEM Automatic AS har nylig besøkt hovedkontoret til OEM Automatic AB i Tranås. Sammen med kollegaer fra Sverige, Finland og Danmark fikk de faglig påfyll, produktopplæring og inspirasjon fra både leverandører og interne foredragsholdere.

Datakontakter for panel eller DIN-skinne
Produktnyheter

Datakontakter for panel eller DIN-skinne

Stadig flere maskiner, produksjonslinjer og måleinstrumenter kobles opp og stiller krav til pålitelige tilkoblinger. Med datakontakter fra LÜTZE får du fleksible og robuste løsninger for både panel og DIN-skinne, som er enkle å installere, servicevennlige og tilpasset krevende miljøer.

Stego CS 032 varmevifter
Produktnyheter

Riktig mengde varme, til riktig tid

CS 032 fra STEGO leverer smart varmeeffekt for eltavler og kan redusere energiforbruket med opptil 23 %. Den kompakte varmeviften gir pålitelig beskyttelse mot kulde, fukt og temperatursvingninger som kan skade følsom elektronikk. Perfekt for deg som vil kombinere effektivitet, driftssikkerhet og bærekraft i krevende miljøer.

Artikler Reguleringsområde fukt fra Reguleringsområde fukt til Pris
40 % RF
90 % RF
65 % RF
65 % RF
50 % RF
50 % RF

Valgt variant

Velg variant i listen

Trenger du teknisk hjelp?

Joachim Bjelland

Kundesupport
For pris og leveringstid, logg inn eller ta kontakt med vår kundesupport
32 21 05 05
Send e-post
Trenger du hjelp?
Logo

Cookie-innstillinger for oem.no

Informasjonskapsler hjelper oss å forbedre opplevelsen din hos oss. Så for å kunne analysere trafikken, håndtere påloggingsinformasjon, tilby deg personlig informasjon og for at grunnleggende funksjonalitet skal fungere på nettsiden, må vi bruke noen informasjonskapsler.

Nødvendige informasjonskapsler

Disse informasjonskapslene er nødvendige for at nettstedet skal fungere og kan ikke slås av i våre systemer. De brukes vanligvis kun som svar på handlinger du har utført i forbindelse med en tjenesteforespørsel, for eksempel når du angir personlige preferanser, logger på eller fyller ut et skjema.

Analyse og måling

Disse informasjonskapslene lar oss telle antall besøk og trafikkkilder slik at vi kan måle og forbedre nettstedets ytelse. De hjelper oss å vite hvilke sider som er mer eller mindre populære og hvordan besøkende navigerer rundt på nettstedet. Informasjonen som disse informasjonskapslene samler inn er aggregert og derfor helt anonym. Hvis du ikke tillater disse informasjonskapslene, vet vi ikke når du har besøkt nettsiden vår.

Markedsføring

Disse informasjonskapslene kan legges til av våre partnere. De kan bruke dem til å lage en profil av deg, basert på dine interesser, for å vise deg mer relevant informasjon. De lagrer ingen personlig informasjon - kun informasjon om nettleseren din og enheten din. Hvis du ikke godtar disse informasjonskapslene, vil du få en mer generell og mindre tilpasset brukeropplevelse.