LOVATO

Pumpe alterneringrelé for 2 pumper

Lovato LVMP05 pumpe alterneringsrele er beregnet for å alternere driften på 2 pumper slik at de startes annen hver gang. Eks primær og standby pumpe. Releet har 2 NO kontakter hvor 13 er felles inn og 14 pumpe 1 og 24 pumpe 2.

 

Releet har grønn LED indikering for driftsspenning og rød LED indikering som blinker for pumpe 1 og blinker 2 og 2 ganger for pumpe 2.

 

Ved spenning på A1 og A2 lukker en av de to NO kontaktene. Når spenningen på A1 og A2 forsvinner åpner kontakten igjen. Ved spenning på A1 og A2 igjen lukker den andre NO kontakten. Slik at kontaktene lukker annen hver gang.

 

Kan også benyttes for generatorer, kompressorer e.l,.

 

Huset er i selvslukkende polyamid (plast).

Les mer
  • Bytter automatisk drift på 2 pumper
  • Kun 17,5 mm bredde
  • Multispenning
  • DIN-skinne montring

Valgt variant

LVMP05 NY BEDRE OPPLØSNING.jpg

Pumpealterneringsrelé 24-48V DC, 24-230V AC 2NO kont.

Art.nr.

Valgt variant

Tekniske data

Elektrisk data

Matespenning AC min. 24 V AC
Matespenning AC maks. 230 V AC
Matespenning DC min. 24 V DC
Matespenning DC maks. 48 V DC
Elektrisk levetid 10x5 operasjoner
Mekanisk levetid 30x10 i 6 operasjoner

Øvrig teknisk data

IP-klasse IP20
Oppbevaringstemperatur fra -30 °C
Oppbevaringstemperatur til 80 °C
Godkjenninger CE, CSA C22.2-N°14, EN61000-6-2, EN61000-6-3
Anbefalt tiltrekkingsmoment 0,8
Effektforbruk 1,6 VA
Reléfunksjon 2 x NO kontakter 8 A / 250 V
Temperaturområde drift fra -20 °C
Temperaturområde drift til 60 °C
Kabeldiameter maks. 4 mm
Kabeldiameter min. 0,2 mm
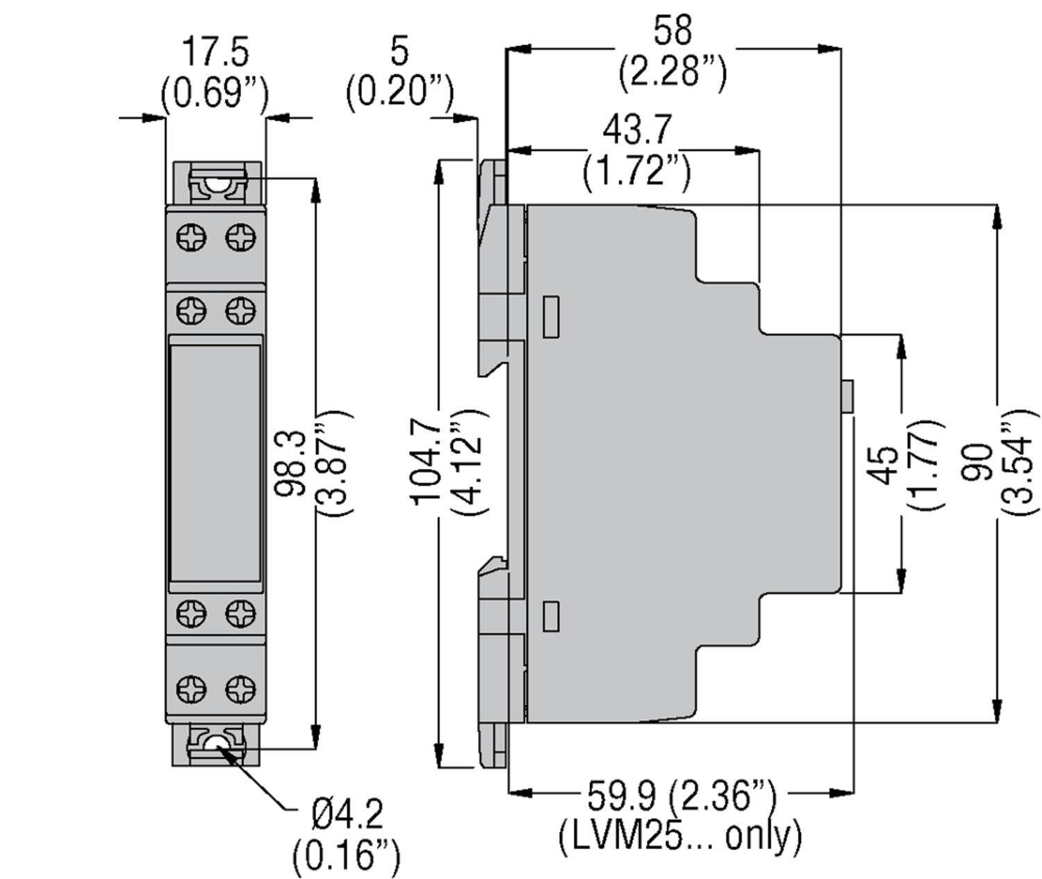
Dybde 59,9 mm
Indikering Grønn LED for driftsspenning, rød LED som blinker for pumpe 1 og 2
Bredde 17,5 mm
Høyde 90 mm
Vekt 0,09 kg
Montering DIN-skinne

Mål og innkobling

Tekniske illustrasjoner

Produktbeskrivelse

Lovato LVMP05 pumpe alterneringsrele er beregnet for å alternere driften på 2 pumper slik at de startes annen hver gang. Eks primær og standby pumpe. Releet har 2 NO kontakter hvor 13 er felles inn og 14 pumpe 1 og 24 pumpe 2.

 

Releet har grønn LED indikering for driftsspenning og rød LED indikering som blinker for pumpe 1 og blinker 2 og 2 ganger for pumpe 2.

 

Ved spenning på A1 og A2 lukker en av de to NO kontaktene. Når spenningen på A1 og A2 forsvinner åpner kontakten igjen. Ved spenning på A1 og A2 igjen lukker den andre NO kontakten. Slik at kontaktene lukker annen hver gang.

 

Kan også benyttes for generatorer, kompressorer e.l,.

 

Huset er i selvslukkende polyamid (plast).

Tilbehør



Lydfiler

Her er noen lydfiler

Relatert

Komponenter for spesielle kjøretøy
Kunnskap

Mobile kjøretøy i krevende miljøer

Utviklingen av mobile kjøretøy går raskt. Kravene til sikkerhet, levetid, miljøytelse og avansert funksjonalitet øker, samtidig som kjøretøyene må være kostnadseffektive, robuste og enkle å vedlikeholde. Hos OEM Automatic støtter vi deg gjennom hele prosessen. Med bred teknisk kompetanse og tett samarbeid med ledende produsenter hjelper vi deg med å velge riktige komponenter for de mest krevende miljøene.

Nye strømtransformatorer fra Elco
Produktnyheter

Nye strømtransformatorer fra ELCO

ELCO lanserer nå to nye strømtransformatorer med innebygget 4–20 mA utsignal, utviklet for enkel integrasjon i industrielle måle og overvåkingssystemer. Begge modellene er loopmatede, monteres på DIN skinne og tilbyr høy målenøyaktighet kombinert med kompakt design.

Ny generasjon Millenium 3
Produktnyheter

Millenium PLS - Ny generasjon

Millenium har gjennom 20 år utviklet seg til et helt nytt nivå og fremstår nå som en kompakt, fleksibel og kommunikasjonsklar PLS for fremtidens mindre og mellomstore automasjonsoppgaver. Den nye generasjonen bygger videre på velkjente og velprøvde funksjoner, samtidig som den byr på en rekke forbedringer som gjør løsningen enda enklere å ta i bruk.

MCB eller ECB for DC-kretser?
Kunnskap

Hva er best for DC-kretser, MCB eller ECB?

I likestrømskretser brukes det gjerne to hovedtyper beskyttelse, MCB (miniatyrsikringsbryter) og ECB (elektronisk sikringsbryter). For å velge riktig løsning må du forstå bruksområdet, planlegge systemet grundig og ofte sette av betydelige tekniske ressurser. Når applikasjonen endres, må du dessuten vurdere på nytt om den eksisterende bryteren fortsatt tilbyr tilstrekkelig beskyttelse for de tilkoblede lastene.

Kompakt og driftssikker motorstarter fra Lovato
Produktnyheter

Lovato ME-serien – kompakt og driftssikker motorstyring

När utrymmet är begränsat och driften kräver många start och stopp är en traditionell kontaktor inte alltid den mest effektiva lösningen. Då kan en elektronisk motorstartare vara ett smartare alternativ. Lovato Electrics ME-serie erbjuder en kompakt, robust och säker motorstyrning som kombinerar fördelarna hos elektronisk och mekanisk teknik – i en enhet som är både platsbesparande och extremt slitstark.

NFC-programmerbare tidsreleer fra Lovato
Produktnyheter

Nye NFC-programmerbare tidsreleer

Lovato Electric utvider sortimentet av modulære tidsreleer med to nye modeller som kombinerer moderne teknologi med høy brukervennlighet. Begge modellene har innebygd Real Time Clock (RTC) med backup-batteri og NFC-tilkobling som gjør programmeringen enkel, rask og fleksibel.

Trenger du teknisk hjelp?

Joachim Bjelland

Produktansvarlig

Kundesupport
For pris og leveringstid, logg inn eller ta kontakt med vår kundesupport
32 21 05 05
Send e-post
Trenger du hjelp?
Logo

Cookie-innstillinger for oem.no

Informasjonskapsler hjelper oss å forbedre opplevelsen din hos oss. Så for å kunne analysere trafikken, håndtere påloggingsinformasjon, tilby deg personlig informasjon og for at grunnleggende funksjonalitet skal fungere på nettsiden, må vi bruke noen informasjonskapsler.

Nødvendige informasjonskapsler

Disse informasjonskapslene er nødvendige for at nettstedet skal fungere og kan ikke slås av i våre systemer. De brukes vanligvis kun som svar på handlinger du har utført i forbindelse med en tjenesteforespørsel, for eksempel når du angir personlige preferanser, logger på eller fyller ut et skjema.

Analyse og måling

Disse informasjonskapslene lar oss telle antall besøk og trafikkkilder slik at vi kan måle og forbedre nettstedets ytelse. De hjelper oss å vite hvilke sider som er mer eller mindre populære og hvordan besøkende navigerer rundt på nettstedet. Informasjonen som disse informasjonskapslene samler inn er aggregert og derfor helt anonym. Hvis du ikke tillater disse informasjonskapslene, vet vi ikke når du har besøkt nettsiden vår.

Markedsføring

Disse informasjonskapslene kan legges til av våre partnere. De kan bruke dem til å lage en profil av deg, basert på dine interesser, for å vise deg mer relevant informasjon. De lagrer ingen personlig informasjon - kun informasjon om nettleseren din og enheten din. Hvis du ikke godtar disse informasjonskapslene, vil du få en mer generell og mindre tilpasset brukeropplevelse.