CROUZET SWITCHES

Mikrobryter serie 83 106

Mikrobryter serie 83 106, har to-polig funksjon, monteringshull med metallhylse og max 20N.

Les mer
  • 2-polig funksjon
  • Monteringshull med metallhylse
  • Driftstemperatur -40 til +85 °C

Valgt variant

83106-photo

Mikrobryter 83106 1NO+1NC kontakt, W3 tilkobling

Art.nr.

Valgt variant

Tekniske data

Allowable Operating Force Max 20 N
Differensialvandring maks. 0,7 mm
Hvileposisjon maks. 12,75 mm
Hysterese maks. 0,7 mm
IP-klasse IP40
Kontaktgap 0,4 x 2 mm
Kontakttype 1 NO, 1 NC
Manøverkraft maks. 4 N
Merkestrøm ved 250 V AC 5 A
Returbevegelseskraft min. 1 N
Temperaturområde fra -40 °C
Temperaturområde til 85 °C
Termisk merkestrøm ved 250 V AC 17,5 A
Tilkobling W3
Tilslagspunkt 11,45±0,2-0,25

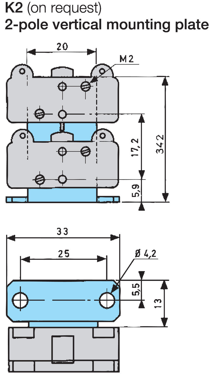
Tekniske illustrasjoner

Produktbeskrivelse

Mikrobryter serie 83 106, har to-polig funksjon, monteringshull med metallhylse og max 20N.

Tilbehør

Relaterte produkter



Lydfiler

Her er noen lydfiler

Relatert

Lær deg mer om endebrytere
Kunnskap

Lær deg mer om endebrytere

Endebrytere, også kalt posisjonsbrytere, er viktige komponenter i mange automatiserte systemer. De brukes til å registrere posisjoner, utløse signaler eller som sikkerhetselementer i både enkle og komplekse applikasjoner. Men visste du at det finnes ulike funksjonsprinsipper for hvordan en endebryter faktisk reagerer? I denne artikkelen forklarer vi forskjellen mellom momentkontakt og tregtvirkende kontakt, og hjelper deg med å velge riktig type for din applikasjon.

Lær deg mer om Crouzet mikrobrytere
Kunnskap

Lær deg mer om mikrobrytere

I Crouzets mikrobrytere kombineres robust konstruksjon med høy ytelse. I denne artikkelen ser vi nærmere på de tekniske grunnprinsippene bak Crouzets mikrobrytere.

Skjevgangsvakter fra Idem
Produktnyheter

Sikker drift med skjevgangsvakter fra Idem

Idem Safety sine skjevgangsvakter er spesialdesignet for å hindre utilsiktede bevegelser i transportbånd. De kan plasseres strategisk langs transportbåndet for å overvåke båndets posisjon. Ved avvik vil bryterens valse bevege seg til en forutbestemt posisjon og aktivere en kontrollkrets som sikrer korrekt respons.

Endebrytere på lager
Produktnyheter

Vi har endebrytere på lager!

Trenger du endebrytere til din applikasjon for å detektere når et objekt fysisk er i kontakt med dem? Vi har mange ulike varianter, størrelser og til og med byggbare moduler lagerført. Disse endebryterne er av god kvalitet og vi har endebrytere i både plast og metall lagerført.

Du får mekaniske brytere fra OEM Automatic
Produktnyheter

Se våre Mekaniske Brytere

Mekaniske brytere brukes gjerne som posisjonsgiver hvor fysisk kontakt med objektet påvirker kontaktsettet i bryteren og får disse til å veksle.

Velg rett fotocelle
Kunnskap

Slik velger du riktig fotocelle

Ved hjelp av en fotocelle kan du detektere ulike objekter. Her kan du lese mer om hvordan en fotocelle fungerer og hvordan vi kan hjelpe deg med en løsning til din fotocelleapplikasjon. Du får kunnskap om de ulike fotocelleteknikkene og ulike alternativer lyskilder. Avslutningsvis finner du spørsmål som hjelper deg å velge rett fotocelle for din applikasjon.

Trenger du teknisk hjelp?

Therese Reenaas Ekeberg

Kundesupport
For pris og leveringstid, logg inn eller ta kontakt med vår kundesupport
32 21 05 05
Send e-post
Trenger du hjelp?
Logo

Cookie-innstillinger for oem.no

Informasjonskapsler hjelper oss å forbedre opplevelsen din hos oss. Så for å kunne analysere trafikken, håndtere påloggingsinformasjon, tilby deg personlig informasjon og for at grunnleggende funksjonalitet skal fungere på nettsiden, må vi bruke noen informasjonskapsler.

Nødvendige informasjonskapsler

Disse informasjonskapslene er nødvendige for at nettstedet skal fungere og kan ikke slås av i våre systemer. De brukes vanligvis kun som svar på handlinger du har utført i forbindelse med en tjenesteforespørsel, for eksempel når du angir personlige preferanser, logger på eller fyller ut et skjema.

Analyse og måling

Disse informasjonskapslene lar oss telle antall besøk og trafikkkilder slik at vi kan måle og forbedre nettstedets ytelse. De hjelper oss å vite hvilke sider som er mer eller mindre populære og hvordan besøkende navigerer rundt på nettstedet. Informasjonen som disse informasjonskapslene samler inn er aggregert og derfor helt anonym. Hvis du ikke tillater disse informasjonskapslene, vet vi ikke når du har besøkt nettsiden vår.

Markedsføring

Disse informasjonskapslene kan legges til av våre partnere. De kan bruke dem til å lage en profil av deg, basert på dine interesser, for å vise deg mer relevant informasjon. De lagrer ingen personlig informasjon - kun informasjon om nettleseren din og enheten din. Hvis du ikke godtar disse informasjonskapslene, vil du få en mer generell og mindre tilpasset brukeropplevelse.