KÜBLER

Lagerblokk

Lagerboks for 58mm klemflens

(Klemflens, Akseldiameter 10x20 mm)
For applikasjoner der akselen belastes direkte av f.eks. reim eller kjede, og giverens egne mekaniske data
ikke er tilstrekkelige.

Photo at bearing box for model 58XX.

 

Tekniske data

Maks. akselbelastning

aksielt

150 N

radialt

250 N

Maks. omdr/min

4 000 rpm

Beskyttelsesklasse

IP65

Materiale

aluminium

 

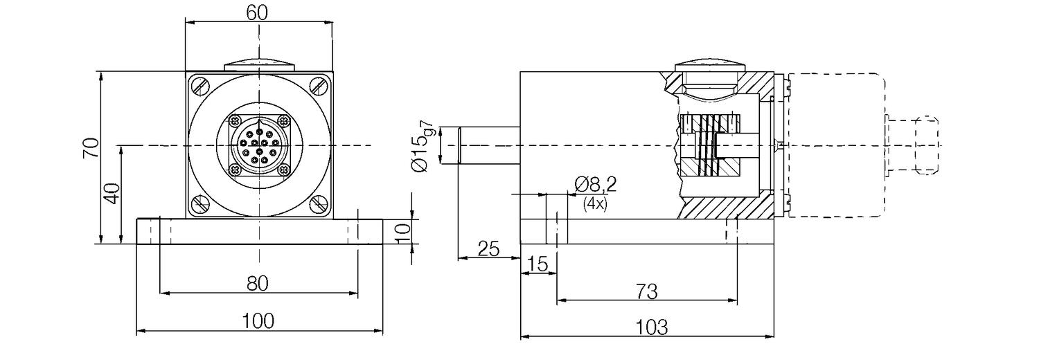
Ett sett består av:

Lagerboks med lokk og pakning.

Akselskobling for akseldiameter 10mm.

Firkantet flens 0010.2100.0000.

3 stk. M3 skruer og 4 stk. M4-skruer.

 

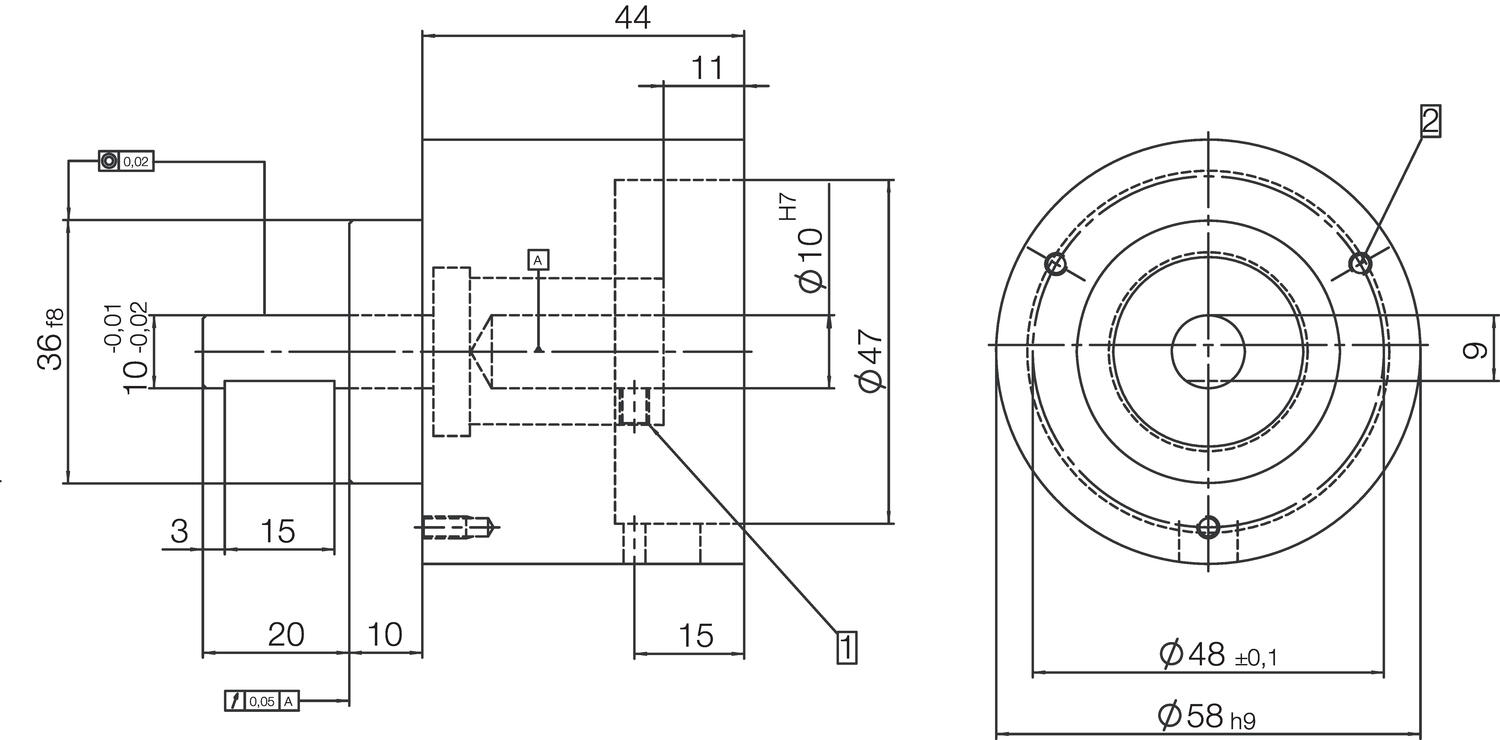
Mål

Dimensions. Bearing box for model 58XX.

Bestillingsnr.

Beskrivelse

0010.8200.0004

Lagerboks til 5000/58XX med klemflens og aksel 10x20mm

 

Lagerblokk

Denne lagerblokken brukes direkte på en aksel- eller hullakselgiver for å oppnå sterkt økt bæreevne, radielt 400N, aksialt 200N (en vanlig 58mm vinkelgiver kan takle omtrent 80N). Denne modellen har samme flens og montering som en vanlig vinkelgiver og passer dermed på det eksisterende stedet med samme montering. Brukes f.eks. for å oppgradere en eksisterende sensor slik at den kan håndtere større belastninger. Lagerblokken er tilgjengelig i to versjoner:

 

- For akselgivere med klemflens og 10mm aksel (eks. serie 5000 / 585X / 586X)

- For hullakselgivere med 12mm hulldiameter (ex serie 5020 / 587X / 588X). Varianten for hullakselgivere gir en mindre konstruksjon siden selve giveren/sensoren bare bygger ca. 40mm utenfor blokken. Dette gir en total lengde som er omtrent den samme som en vanlig akselgiver.

Photo on bearing box

Maks. akselbelastning

aksialt

200N

radielt

400N (på forespørsel opp til 600N)

Maksimal hastighet

3000 rpm

Vekt

Ca. 400g

Materiale

Aksel i rustfritt stål, hus i aluminium

 

For akselgivere
Giveren skrues i lagerblokkens akselkobling.

For hullakselgivere
Giveren tres på blokkens aksel.

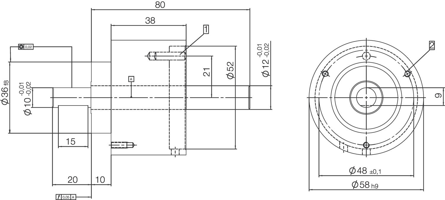
Dimension drawing

Dimension drawing

Bestillingsnr.

Beskrivelse

0010.8200.0006

Lagerblokk til 5000/585X/586X med aksel 10mm og klemflens

0010.8200.0007

Lagerblokk for 5020/587X/588X hullakselgiver

 

 

Les mer
  • Lagerblokk for applikasjoner med høy akselbelastning
  • For akselgivere og hullakselgivere
  • Belastninger opp til 400N

Valgt variant

Flere varianter

Valgt variant

Tekniske data

Tekniske data mangler

Produktbeskrivelse

Lagerboks for 58mm klemflens

(Klemflens, Akseldiameter 10x20 mm)
For applikasjoner der akselen belastes direkte av f.eks. reim eller kjede, og giverens egne mekaniske data
ikke er tilstrekkelige.

Photo at bearing box for model 58XX.

 

Tekniske data

Maks. akselbelastning

aksielt

150 N

radialt

250 N

Maks. omdr/min

4 000 rpm

Beskyttelsesklasse

IP65

Materiale

aluminium

 

Ett sett består av:

Lagerboks med lokk og pakning.

Akselskobling for akseldiameter 10mm.

Firkantet flens 0010.2100.0000.

3 stk. M3 skruer og 4 stk. M4-skruer.

 

Mål

Dimensions. Bearing box for model 58XX.

Bestillingsnr.

Beskrivelse

0010.8200.0004

Lagerboks til 5000/58XX med klemflens og aksel 10x20mm

 

Lagerblokk

Denne lagerblokken brukes direkte på en aksel- eller hullakselgiver for å oppnå sterkt økt bæreevne, radielt 400N, aksialt 200N (en vanlig 58mm vinkelgiver kan takle omtrent 80N). Denne modellen har samme flens og montering som en vanlig vinkelgiver og passer dermed på det eksisterende stedet med samme montering. Brukes f.eks. for å oppgradere en eksisterende sensor slik at den kan håndtere større belastninger. Lagerblokken er tilgjengelig i to versjoner:

 

- For akselgivere med klemflens og 10mm aksel (eks. serie 5000 / 585X / 586X)

- For hullakselgivere med 12mm hulldiameter (ex serie 5020 / 587X / 588X). Varianten for hullakselgivere gir en mindre konstruksjon siden selve giveren/sensoren bare bygger ca. 40mm utenfor blokken. Dette gir en total lengde som er omtrent den samme som en vanlig akselgiver.

Photo on bearing box

Maks. akselbelastning

aksialt

200N

radielt

400N (på forespørsel opp til 600N)

Maksimal hastighet

3000 rpm

Vekt

Ca. 400g

Materiale

Aksel i rustfritt stål, hus i aluminium

 

For akselgivere
Giveren skrues i lagerblokkens akselkobling.

For hullakselgivere
Giveren tres på blokkens aksel.

Dimension drawing

Dimension drawing

Bestillingsnr.

Beskrivelse

0010.8200.0006

Lagerblokk til 5000/585X/586X med aksel 10mm og klemflens

0010.8200.0007

Lagerblokk for 5020/587X/588X hullakselgiver

 

 

Tilbehør



Lydfiler

Her er noen lydfiler

Relatert

Styringskontroll for båter fra Temposonics
Produktnyheter

Styringskontroll for båter

I styringssystemer på båter brukes sensorer til nøyaktig måling av rorposisjon, aktuatorbevegelse, nivå i tanker og slaglengde i hydrauliske sylindre. Dette gir kritiske data som bidrar til stabil, responsiv og sikker manøvrering.

Deteksjon og måleområdesensorer DS4
Produktnyheter

Deteksjons- og måleområdesensorer

Presisjon, hastighet og tilpasningsevne er avgjørende i moderne automatisering. Det er her Datasensings nye DS4-serie kommer inn og tilbyr en kraftig løsning for produsenter og logistikkaktører som krever nøyaktighet og fleksibilitet.

Lineærsensorer i vannkraft fra Temposonics
Produktnyheter

Temposonics lineærsensorer i vannkraft

Temposonics-sensorer er magnetostriktive lineære posisjonssensorer, det vil si at målingen skjer kontaktfritt ved at en magnet (festet til et bevegelig element) forårsaker en torsjonsbølge i en sensorstav når en strømimpuls sendes. Sensoren registrerer tidsforsinkelsen til bølgen, og posisjonen beregnes med høy presisjon.

RAD51-serien fra Kübler
Produktnyheter

Sensorer for pålitelig måling og detektering

RAD51-serien fra Kübler gir pålitelig måling og detektering selv under krevende forhold. I miljøer med støv, smuss, fuktighet, røyk eller varmestråling leverer radarteknologien stabil ytelse, enten det gjelder nøyaktig avstandsmåling eller sikker kollisjonsdetektering.

Vann og avløp
Kunnskap

Løsninger for vann og avløp

I Norge har vi et avansert og godt utbygget system for håndtering av vann og avløp. Systemet er avgjørende for både folkehelsen, miljøet og en bærekraftig samfunnsutvikling. Det norske vann- og avløpssystemet (ofte forkortet til VA-systemet) omfatter produksjon og distribusjon av drikkevann, samt innsamling, transport og rensing av avløpsvann.

Produktnyheter

Fleksibel giverteknikk for enklere installasjon og lengre slaglengder

Å håndtere lineære sensorer med lange slaglengder har lenge vært en praktisk utfordring, både under transport, installasjon og vedlikehold. Med R Series V RF5 tar Temposonics nå et stort steg fremover. Sensortypen er utviklet fra grunnen av for å møte dagens krav til enklere logistikk, raskere installasjon og mulighet for lengre slaglengder. Samtidig introduseres en ny fleksibel sensordel til RH5, noe som gjør både service og håndtering av reservedeler enklere enn noensinne.

Artikler Pris

Valgt variant

Velg variant i listen

Trenger du teknisk hjelp?

Joachim Bjelland

Kundesupport
For pris og leveringstid, logg inn eller ta kontakt med vår kundesupport
32 21 05 05
Send e-post
Trenger du hjelp?
Logo

Cookie-innstillinger for oem.no

Informasjonskapsler hjelper oss å forbedre opplevelsen din hos oss. Så for å kunne analysere trafikken, håndtere påloggingsinformasjon, tilby deg personlig informasjon og for at grunnleggende funksjonalitet skal fungere på nettsiden, må vi bruke noen informasjonskapsler.

Nødvendige informasjonskapsler

Disse informasjonskapslene er nødvendige for at nettstedet skal fungere og kan ikke slås av i våre systemer. De brukes vanligvis kun som svar på handlinger du har utført i forbindelse med en tjenesteforespørsel, for eksempel når du angir personlige preferanser, logger på eller fyller ut et skjema.

Analyse og måling

Disse informasjonskapslene lar oss telle antall besøk og trafikkkilder slik at vi kan måle og forbedre nettstedets ytelse. De hjelper oss å vite hvilke sider som er mer eller mindre populære og hvordan besøkende navigerer rundt på nettstedet. Informasjonen som disse informasjonskapslene samler inn er aggregert og derfor helt anonym. Hvis du ikke tillater disse informasjonskapslene, vet vi ikke når du har besøkt nettsiden vår.

Markedsføring

Disse informasjonskapslene kan legges til av våre partnere. De kan bruke dem til å lage en profil av deg, basert på dine interesser, for å vise deg mer relevant informasjon. De lagrer ingen personlig informasjon - kun informasjon om nettleseren din og enheten din. Hvis du ikke godtar disse informasjonskapslene, vil du få en mer generell og mindre tilpasset brukeropplevelse.