KÜBLER

LIMES MAGNETSENSOR LI50 MAGNETBÅND B2

Lineære pulsgivere / sensorer brukes til å måle en absolutt lineær posisjon med høy nøyaktighet, for eksempel i trebearbeidingsmaskiner, analyse- og laboratorie-arbeid i medisinsk teknologi, eller for å kontrollere speilene som brukes for å samle energi fra sola. Sensoren er nesten fullstendig ufølsom for smuss og fuktighet, og kan dermed brukes i krevende miljøer. Den er tett og har ingen bevegelige deler. Sensoren / giveren monteres for å lese et magnetbånd som festes ved hjelp av en selvklebende underside. Tilgjengelig med forskjellige oppløsninger, og hvis mottakeren (kalkulator / PLC) har multiplikasjonsfunksjon, kan en oppløsning på 5 μm oppnås. Se elektriske data (Oppløsning, nøyaktighet) for mer informasjon.

 

Magnetbånd B2 har en polavstand på 5 mm. For LI50 / B2-kombinasjonen skal avstanden mellom sensor og bånd være 0,1 til 2,0 mm (1,0 mm anbefalt). For magnetsensoren må helningen være maks ± 3°, rotasjonen kan være maks ± 3° og forskyvningen / offset maks ± 1 mm.

 

For å velge riktig sensor, er følgende informasjon nødvendig:

- Krav til nøyaktighet (fra 0,1 mm til 0,005 mm)

- Bevegelseshastigheten (med tanke på frekvensen til systemet og den maksimale hastigheten på sensoren)

- Bevegelseslengde (for å bestille lengden på magnetbåndet = ønsket målelengde + 1 dm)

Les mer
  • Oppløsning opp til 0,005 mm
  • Kontaktfri måleteknologi
  • Status LED
  • IP67. Ufølsom for flis, olje, støv, vann.

Valgt variant

Flere varianter

Valgt variant

Tekniske data

Avkjenningsavstand 0,025 mm
IP-klasse IP67
Materiale hus Zink
Matespenning DC maks. 30 V DC
Matespenning DC min. 4,8 V DC
Repeternøyaktighet 1 %
Resolution By Multiplying 0.025
Resolution Without Multiplication Factor 0.1
Strømforbruk maks. 0,06 A
Temperaturområde fra -20 °C
Temperaturområde til 80 °C
Vibrasjonsbestandig 30g

Nedlastbare filer

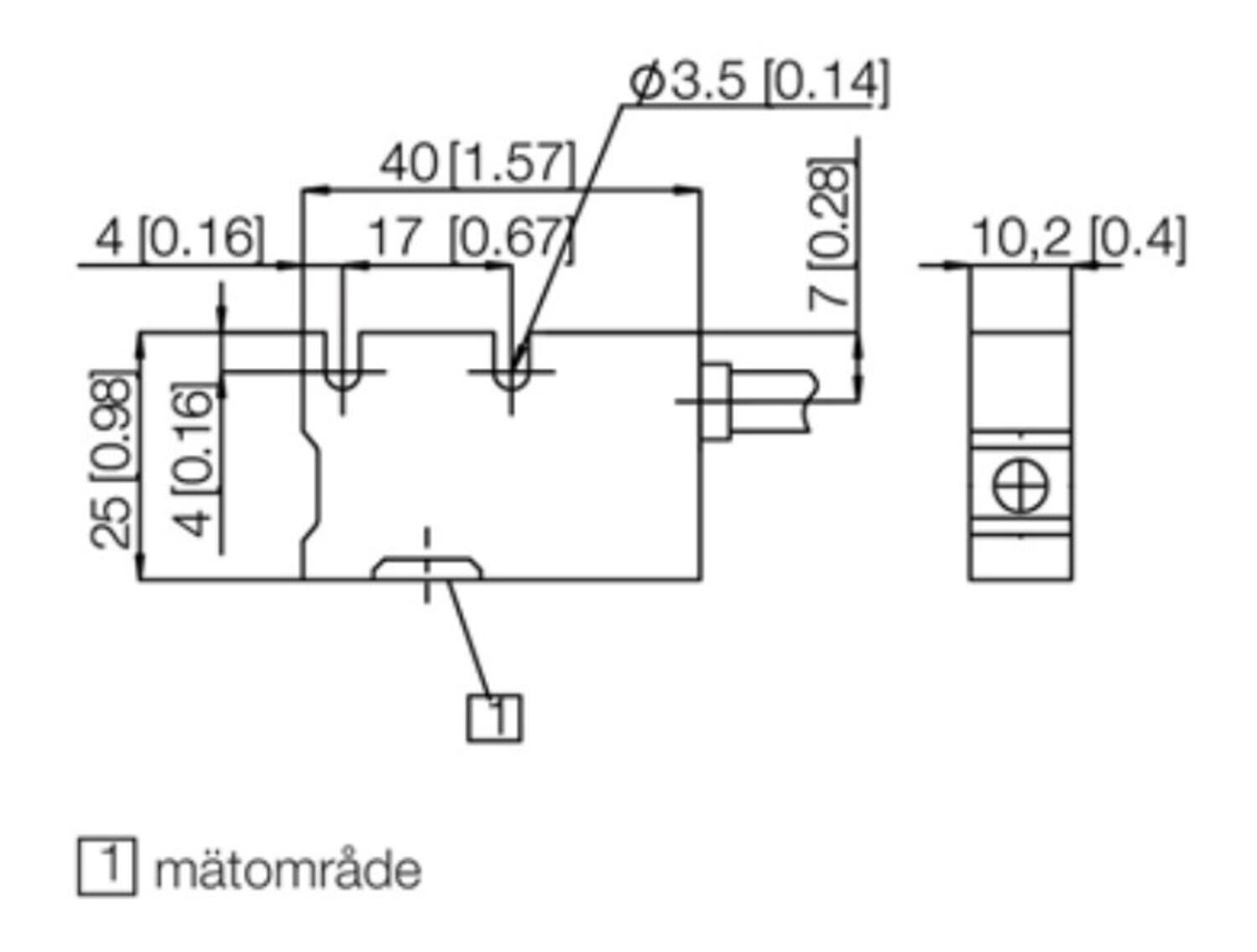
Mål og innkobling

Tekniske illustrasjoner

Produktbeskrivelse

Lineære pulsgivere / sensorer brukes til å måle en absolutt lineær posisjon med høy nøyaktighet, for eksempel i trebearbeidingsmaskiner, analyse- og laboratorie-arbeid i medisinsk teknologi, eller for å kontrollere speilene som brukes for å samle energi fra sola. Sensoren er nesten fullstendig ufølsom for smuss og fuktighet, og kan dermed brukes i krevende miljøer. Den er tett og har ingen bevegelige deler. Sensoren / giveren monteres for å lese et magnetbånd som festes ved hjelp av en selvklebende underside. Tilgjengelig med forskjellige oppløsninger, og hvis mottakeren (kalkulator / PLC) har multiplikasjonsfunksjon, kan en oppløsning på 5 μm oppnås. Se elektriske data (Oppløsning, nøyaktighet) for mer informasjon.

 

Magnetbånd B2 har en polavstand på 5 mm. For LI50 / B2-kombinasjonen skal avstanden mellom sensor og bånd være 0,1 til 2,0 mm (1,0 mm anbefalt). For magnetsensoren må helningen være maks ± 3°, rotasjonen kan være maks ± 3° og forskyvningen / offset maks ± 1 mm.

 

For å velge riktig sensor, er følgende informasjon nødvendig:

- Krav til nøyaktighet (fra 0,1 mm til 0,005 mm)

- Bevegelseshastigheten (med tanke på frekvensen til systemet og den maksimale hastigheten på sensoren)

- Bevegelseslengde (for å bestille lengden på magnetbåndet = ønsket målelengde + 1 dm)

Tilbehør



Lydfiler

Her er noen lydfiler

Relatert

Lineærsensorer i vannkraft fra Temposonics
Produktnyheter

Temposonics lineærsensorer i vannkraft

Temposonics-sensorer er magnetostriktive lineære posisjonssensorer, det vil si at målingen skjer kontaktfritt ved at en magnet (festet til et bevegelig element) forårsaker en torsjonsbølge i en sensorstav når en strømimpuls sendes. Sensoren registrerer tidsforsinkelsen til bølgen, og posisjonen beregnes med høy presisjon.

RAD51-serien fra Kübler
Produktnyheter

Sensorer for pålitelig måling og detektering

RAD51-serien fra Kübler gir pålitelig måling og detektering selv under krevende forhold. I miljøer med støv, smuss, fuktighet, røyk eller varmestråling leverer radarteknologien stabil ytelse, enten det gjelder nøyaktig avstandsmåling eller sikker kollisjonsdetektering.

Vann og avløp
Kunnskap

Løsninger for vann og avløp

I Norge har vi et avansert og godt utbygget system for håndtering av vann og avløp. Systemet er avgjørende for både folkehelsen, miljøet og en bærekraftig samfunnsutvikling. Det norske vann- og avløpssystemet (ofte forkortet til VA-systemet) omfatter produksjon og distribusjon av drikkevann, samt innsamling, transport og rensing av avløpsvann.

Produktnyheter

Fleksibel giverteknikk for enklere installasjon og lengre slaglengder

Å håndtere lineære sensorer med lange slaglengder har lenge vært en praktisk utfordring, både under transport, installasjon og vedlikehold. Med R Series V RF5 tar Temposonics nå et stort steg fremover. Sensortypen er utviklet fra grunnen av for å møte dagens krav til enklere logistikk, raskere installasjon og mulighet for lengre slaglengder. Samtidig introduseres en ny fleksibel sensordel til RH5, noe som gjør både service og håndtering av reservedeler enklere enn noensinne.

Temposonics lineærsensorer i vindkraft
Produktnyheter

Temposonics lineærsensorer i vindkraft

For å få maksimalt utbytte av vindturbiner har det blitt gjort, og gjøres fortsatt, mye utviklingsarbeid. I dag er energiproduksjonen fra én enkelt turbin allerede svært høy. De kontaktfrie magnetostriktive posisjonssensorene fra Temposonics® har bidratt til denne utviklingen.

Lidar, radar eller laser?
Kunnskap

Lidar, radar eller laser, hvilken teknologi passer best til din applikasjon?

Lidar, radar og laserskannere er avanserte teknologier som spiller en stadig viktigere rolle i å sikre trygge og effektive prosesser i industrielle og automatiserte miljøer. Hver løsning har sine styrker og begrensninger, og valget av teknologi kan ha stor betydning for både sikkerhet, drift og kostnader. For å gjøre det enklere å finne den rette løsningen til din applikasjon, har vi sammenlignet teknologiene og fremhever hva som skiller dem fra hverandre.

Artikler Resolution By Multiplying Resolution Without Multiplication Factor Pris
0.025
0.1
0.005
0.02

Valgt variant

Velg variant i listen

Trenger du teknisk hjelp?

Therese Reenaas Ekeberg

Kundesupport
For pris og leveringstid, logg inn eller ta kontakt med vår kundesupport
32 21 05 05
Send e-post
Trenger du hjelp?
Logo

Cookie-innstillinger for oem.no

Informasjonskapsler hjelper oss å forbedre opplevelsen din hos oss. Så for å kunne analysere trafikken, håndtere påloggingsinformasjon, tilby deg personlig informasjon og for at grunnleggende funksjonalitet skal fungere på nettsiden, må vi bruke noen informasjonskapsler.

Nødvendige informasjonskapsler

Disse informasjonskapslene er nødvendige for at nettstedet skal fungere og kan ikke slås av i våre systemer. De brukes vanligvis kun som svar på handlinger du har utført i forbindelse med en tjenesteforespørsel, for eksempel når du angir personlige preferanser, logger på eller fyller ut et skjema.

Analyse og måling

Disse informasjonskapslene lar oss telle antall besøk og trafikkkilder slik at vi kan måle og forbedre nettstedets ytelse. De hjelper oss å vite hvilke sider som er mer eller mindre populære og hvordan besøkende navigerer rundt på nettstedet. Informasjonen som disse informasjonskapslene samler inn er aggregert og derfor helt anonym. Hvis du ikke tillater disse informasjonskapslene, vet vi ikke når du har besøkt nettsiden vår.

Markedsføring

Disse informasjonskapslene kan legges til av våre partnere. De kan bruke dem til å lage en profil av deg, basert på dine interesser, for å vise deg mer relevant informasjon. De lagrer ingen personlig informasjon - kun informasjon om nettleseren din og enheten din. Hvis du ikke godtar disse informasjonskapslene, vil du få en mer generell og mindre tilpasset brukeropplevelse.