IDEM

MPZ Berøringsfri bryter

Verdens minste RFID sikkerhetsbryter plast

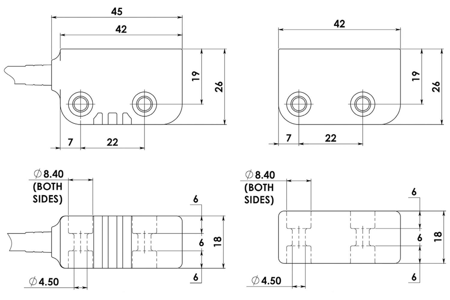
MPZ berøringsfri bryter med RFID laget av høytoleranseplast (polyester) som er egnet for alle industrielle applikasjoner. Den har 2 OSSD-sikkerhetsutganger, PNP og én PNP-signalutgang. Denne bryteren har kapslingsgrad IP69K (versjon med kabel) og IP67 (versjon med kontakt).


MPZ-bryteren er også tilgjengelig med unik koding. Dette gjør det umulig å tukle med en annen aktuator enn den originale og dermed omgå sikkerhetsfunksjonen. Sikkerhetsutgangene er aktive så lenge bryteren og aktuatoren forblir nær hverandre (klaff/port lukket).

Les mer
  • RFID-koding
  • Indikator 3 x LED
  • Bryteravstand 10mm
  • Ingen dedikert kontroller
  • Mulighet for å koble opp til 30stk i serie

Valgt variant

Flere varianter

Valgt variant

Tekniske data

Arbeidstemperatur -25°C ... +55°C
Contact rating max 24Vdc 0.1A
Integrert LED Ja
Kabellengde 5 m
Kontaktfunksjon 2 x OSSD, PNP
Materiale sentral Polyester
PL e acc. EN ISO13849-1
Recommended mounting gap 3 mm
SIL 3 acc. IEC62061
Strøm min. 1mA

Produktbeskrivelse

MPZ berøringsfri bryter med RFID laget av høytoleranseplast (polyester) som er egnet for alle industrielle applikasjoner. Den har 2 OSSD-sikkerhetsutganger, PNP og én PNP-signalutgang. Denne bryteren har kapslingsgrad IP69K (versjon med kabel) og IP67 (versjon med kontakt).


MPZ-bryteren er også tilgjengelig med unik koding. Dette gjør det umulig å tukle med en annen aktuator enn den originale og dermed omgå sikkerhetsfunksjonen. Sikkerhetsutgangene er aktive så lenge bryteren og aktuatoren forblir nær hverandre (klaff/port lukket).

Tilbehør

Relaterte produkter



Lydfiler

Her er noen lydfiler

Relatert

Profisafe fra Idem
Produktnyheter

Effektiv maskinsikkerhet med PROFIsafe

Med PROFIsafe over PROFINET får du en løsning som kombinerer høyeste sikkerhetsnivå med sømløs kommunikasjon og enkel installasjon.
Maskinsikkerhet blir stadig mer integrert og nettverksbasert, og hos OEM Automatic finner du låsbare håndtak og brytere med PROFIsafe som gir høy driftssikkerhet, kortere nedetid og enklere konstruksjon. Alle produktene våre er robuste, konfigurerbare og uavhengige av merke, og de kan enkelt integreres i både nye og eksisterende automasjonssystemer.

Produkter fra IDEM safety
Produktnyheter

Produkter fra IDEM Safety

IDEM Safety er en familieeid bedrift fra England med fokus på sensor- og sikkerhetsprodukter. Selskapet ble grunnlagt i 2003 av Medi Motasham og har egen utvikling og produksjon i Wigan, like utenfor Manchester. Medi hadde tidligere roller som teknisk direktør og leder for forskning og utvikling hos EJA/Guardmaster (Allen-Bradley). IDEM Safety er kjent for sine innovative løsninger og legger stor vekt på kvalitet og pålitelighet.

IDEM Rustfritt sortiment
Produktnyheter

Rustfritt sortiment fra IDEM

Sammen med vår produsent IDEM kan vi tilby et bredt sortiment av rustfrie produkter. Fordelen med å velge rustfritt stål er at de er slitesterke og kan også vaskes under høyt trykk og høye temperaturer.

På besøk hos OEM Automatic i Tranås
Firmanyheter

Faglig påfyll i Tranås

Representanter fra OEM Automatic AS har nylig besøkt hovedkontoret til OEM Automatic AB i Tranås. Sammen med kollegaer fra Sverige, Finland og Danmark fikk de faglig påfyll, produktopplæring og inspirasjon fra både leverandører og interne foredragsholdere.

Vann og avløp
Kunnskap

Løsninger for vann og avløp

I Norge har vi et avansert og godt utbygget system for håndtering av vann og avløp. Systemet er avgjørende for både folkehelsen, miljøet og en bærekraftig samfunnsutvikling. Det norske vann- og avløpssystemet (ofte forkortet til VA-systemet) omfatter produksjon og distribusjon av drikkevann, samt innsamling, transport og rensing av avløpsvann.

Emos og Eled fra Orlaco
Produktnyheter

Skarp sikt og økt sikkerhet, selv i de tøffeste miljøene

Å ha full kontroll over omgivelsene er avgjørende for sikkerheten ved arbeid med anleggsmaskiner og kjøretøy. Med OEM Automatics Ethernetkamera EMOS og den tilhørende digitale Ethernet Monitor ELED får du et robust kamerasystem som er utviklet for å fungere i krevende miljøer, der vibrasjoner og tøffe forhold er en del av hverdagen.

Artikler Kabellengde Pris
5 m
0,25 m
5 m
10 m
0,25 m

Valgt variant

Velg variant i listen

Trenger du teknisk hjelp?

Therese Reenaas Ekeberg

Kundesupport
For pris og leveringstid, logg inn eller ta kontakt med vår kundesupport
32 21 05 05
Send e-post
Trenger du hjelp?
Logo

Cookie-innstillinger for oem.no

Informasjonskapsler hjelper oss å forbedre opplevelsen din hos oss. Så for å kunne analysere trafikken, håndtere påloggingsinformasjon, tilby deg personlig informasjon og for at grunnleggende funksjonalitet skal fungere på nettsiden, må vi bruke noen informasjonskapsler.

Nødvendige informasjonskapsler

Disse informasjonskapslene er nødvendige for at nettstedet skal fungere og kan ikke slås av i våre systemer. De brukes vanligvis kun som svar på handlinger du har utført i forbindelse med en tjenesteforespørsel, for eksempel når du angir personlige preferanser, logger på eller fyller ut et skjema.

Analyse og måling

Disse informasjonskapslene lar oss telle antall besøk og trafikkkilder slik at vi kan måle og forbedre nettstedets ytelse. De hjelper oss å vite hvilke sider som er mer eller mindre populære og hvordan besøkende navigerer rundt på nettstedet. Informasjonen som disse informasjonskapslene samler inn er aggregert og derfor helt anonym. Hvis du ikke tillater disse informasjonskapslene, vet vi ikke når du har besøkt nettsiden vår.

Markedsføring

Disse informasjonskapslene kan legges til av våre partnere. De kan bruke dem til å lage en profil av deg, basert på dine interesser, for å vise deg mer relevant informasjon. De lagrer ingen personlig informasjon - kun informasjon om nettleseren din og enheten din. Hvis du ikke godtar disse informasjonskapslene, vil du få en mer generell og mindre tilpasset brukeropplevelse.