DATASENSING

Sikkerhetsfotoceller S5/SL5

Sikre fotoceller i M18 utførelse med M12-kontakt. Perfekt i trange rom og applikasjoner hvor en vanlig lysbom ikke får plass rent fysisk, eller man har behov for selv bestemme avstanden mellom strålene. Rekkevidde opp til 40m og driftstemperatur ned til -25°C gjør den også egnet til applikasjoner ute. Sammen med SG-BWS kontrollrelé opprettholder man høyeste sikkerhetsnivå SIL3 ihht EN 62061 og Ple ihht ISO 13849-1.

Tekniske data

 

SL5

S5

Spenning

24 V DC ±15 %

Forbruk

35 mA maks

30 mA maks

Utgang

PNP (kortsluttningsovervåket)

Utgangs strøm

100 mA maks

Responstid

1 ms maks

Aktiveringsfrekvens

500 Hz maks

Drifts temperatur

-10 °C til +50 ºC

-25 °C til +55 ºC

Oppbevaringstemperatur

-25 °C til +70 ºC

Rekkevidde

0-40 m

0-8 m

Lys

Rød laser (650nm) Class 1 EN 60825-1 (1994)

Infra-rød LED 880 nm

Kapslingsmateriale

ABS UL 94V-O

Matriale i tilkoblingen

Polycarbonat

Kapslingsgrad

IP67

Tilkobling

M12 4-pol

Vekt

30 g. maks

Status indikasjon

Sender (Tx)

Green colormark

Spenning OK

 

 

Mottager (Rx)

Green colormark

Spenning OK

Green colormark

Blinkende lys = signalet er for svakt

Red colormark

Utgang aktiv

 

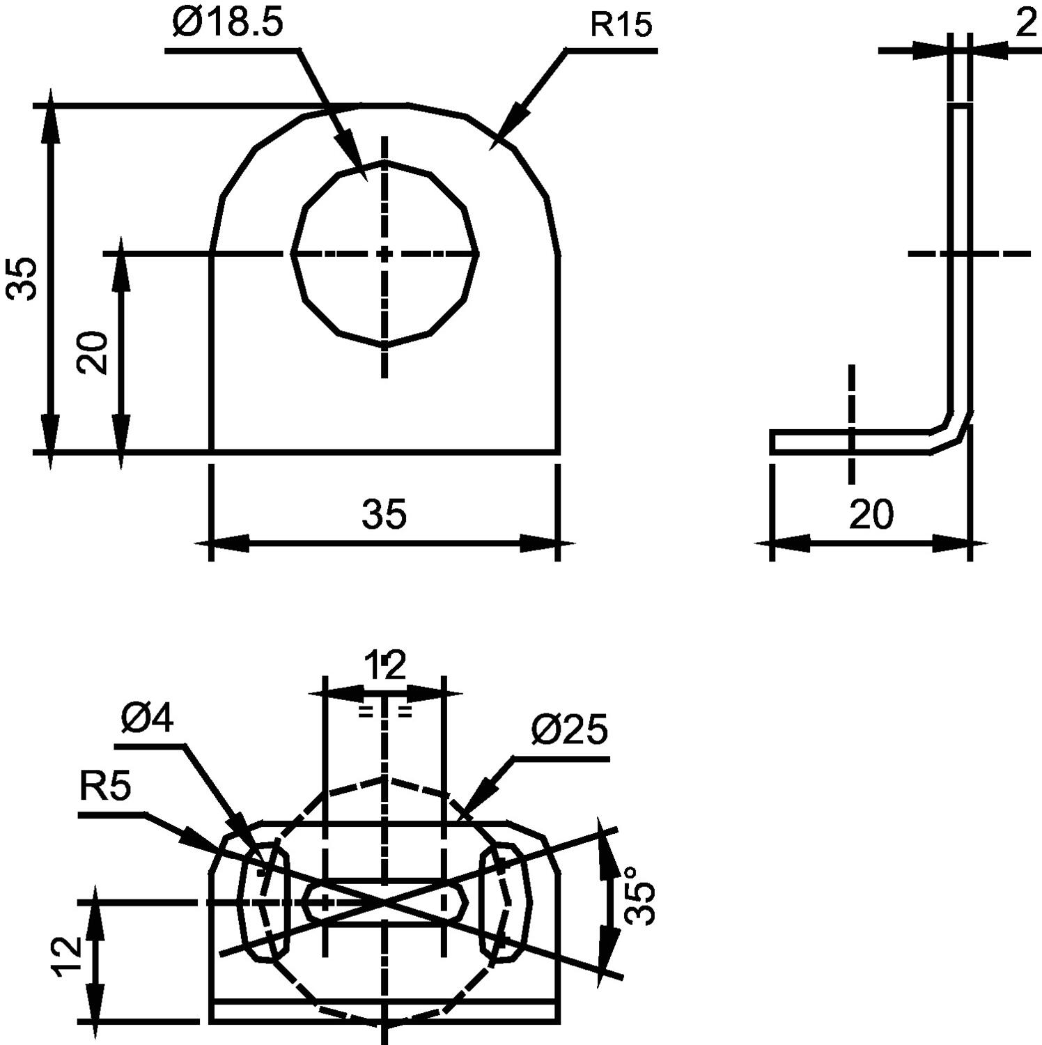
Dimensjoner

Dimensjoner

 

 

Sender 0-40 m

Mottaker 0-40 m

 

221725_812.eps

221726_812.eps

 

 

 

 

Sender 0-8m

Mottaker 0-8 m

 

221725_812.eps

221724_812.eps

 

 

 

 

Eksempel av et fire-stråler beskyttelsesfelt. For mer informasjon om distanse mellom strålene, se manual eller standard EN 999.

 

221723_812.eps

 

 

Tilkobling

Sender

Mottaker

 

Kabler

Bestillingsnummer og dimensjoner, kabler med M12-kontakt.

Sender/mottaker kabel rett hunn

Bestillingsnummer

Lengde (m)

804000P03M020

2

804000P03M0503

5

804000P03M100

10

804000P03M200

20

 

 

M12 kontakt uten kabel rett

8A4000315

PG7

8A4000325

PG9

Sender/mottaker kabel vinklet hunn

Bestillingsnummer

Lengde (m)

804001P03M020

2

804001P03M050

5

804001P03M100

10

804001P03M200

20

 

 

M12 kontakt uten kabel vinklet

8A4001315

PG7

 

Bestillingsnummer

Bestillingsnummer

Beskrivelse

Rekkevidde (m)

S5-5-G8-62SGST4

Sikker fotocelle, sender

0-8

S5-5-F8-92SGST4

Sikker fotocelle, mottaker

0-8

SL5-5-G-82SGST4

Sikker fotocelle, sender

0-40

SL5-5-F-92SGST4

Sikker fotocelle, mottaker

0-40

 

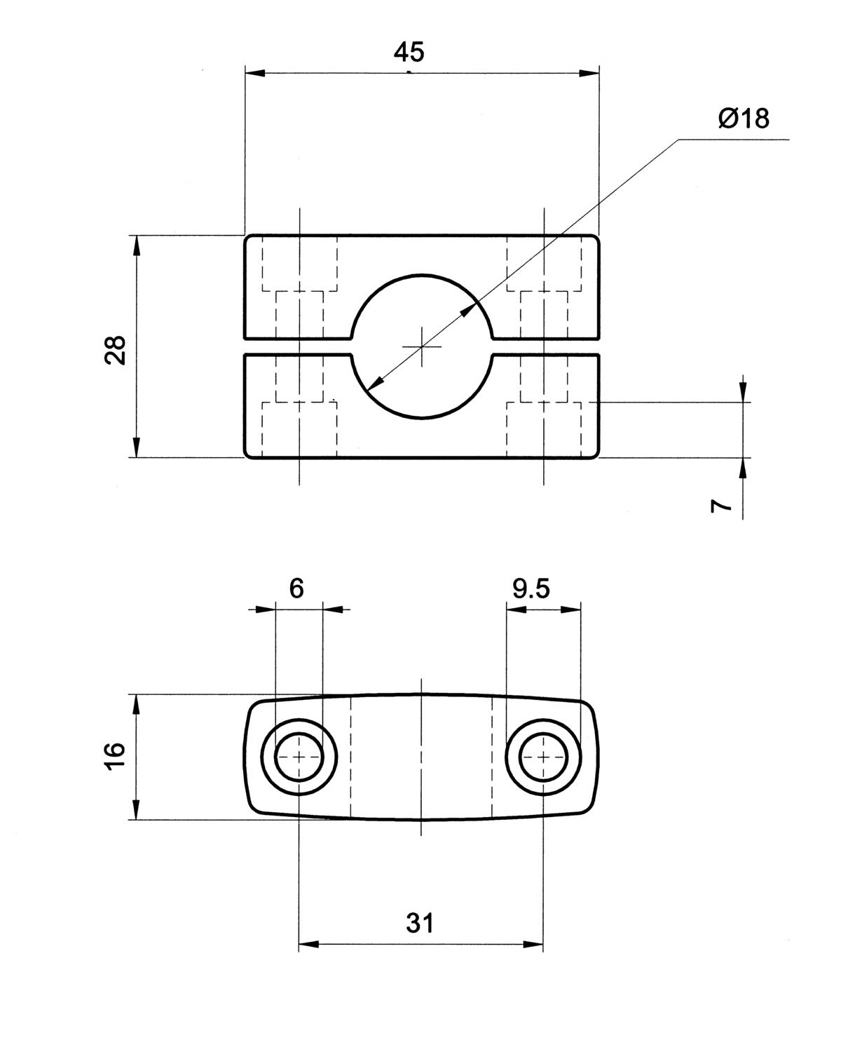
Tilbehør

Vinkelbrakett

Passer M18 fotoceller

Dimensions ST-5011.

Bestillingnummer

ST-5011

 

Vinkelbrakett

Dimensions ST-5012.

Bestillingsnummer

ST-5012

 

 

Micro 18Brakett for M18

Brakett for M18 fotocelle hvor man trenger
å finjustere retningen Feks. laser fotocelle

Bestillingsnummer

MICRO-18

 

Brakett for M18

Dimensions SP-40.

Klemme med skruefeste

Bestillingsnummer

SP-40

 

 

Justerbar klemme

Klemme for M18 fotocelle med mulighet for finjustering

Bestillingsnummer

SWING-18

 

Les mer
  • Rekkevidde opp til 40m
  • Type 4, SIL3, Ple
  • Driftstemperatur ned til -25 ºC

Valgt variant

Flere varianter

Valgt variant

Tekniske data

Føleravstand 8 m
Godkjenninger CE
I henhold til EMC, LVD, MD
IP-klasse IP67
Materiale hus PBT, PMMA
Matespenning 24 V DC
Oppbevaringstemperatur fra -25 °C
Oppbevaringstemperatur til 70 °C
Reaksjonstid 1 ms
Rekkevidde 0-8 m
Spenningstoleranse ±15 %
Temperaturområde fra -25 °C
Temperaturområde til 55 °C
Type lys IR LED
Utgang PNP

Produktbeskrivelse

Sikre fotoceller i M18 utførelse med M12-kontakt. Perfekt i trange rom og applikasjoner hvor en vanlig lysbom ikke får plass rent fysisk, eller man har behov for selv bestemme avstanden mellom strålene. Rekkevidde opp til 40m og driftstemperatur ned til -25°C gjør den også egnet til applikasjoner ute. Sammen med SG-BWS kontrollrelé opprettholder man høyeste sikkerhetsnivå SIL3 ihht EN 62061 og Ple ihht ISO 13849-1.

Tekniske data

 

SL5

S5

Spenning

24 V DC ±15 %

Forbruk

35 mA maks

30 mA maks

Utgang

PNP (kortsluttningsovervåket)

Utgangs strøm

100 mA maks

Responstid

1 ms maks

Aktiveringsfrekvens

500 Hz maks

Drifts temperatur

-10 °C til +50 ºC

-25 °C til +55 ºC

Oppbevaringstemperatur

-25 °C til +70 ºC

Rekkevidde

0-40 m

0-8 m

Lys

Rød laser (650nm) Class 1 EN 60825-1 (1994)

Infra-rød LED 880 nm

Kapslingsmateriale

ABS UL 94V-O

Matriale i tilkoblingen

Polycarbonat

Kapslingsgrad

IP67

Tilkobling

M12 4-pol

Vekt

30 g. maks

Status indikasjon

Sender (Tx)

Green colormark

Spenning OK

 

 

Mottager (Rx)

Green colormark

Spenning OK

Green colormark

Blinkende lys = signalet er for svakt

Red colormark

Utgang aktiv

 

Dimensjoner

Dimensjoner

 

 

Sender 0-40 m

Mottaker 0-40 m

 

221725_812.eps

221726_812.eps

 

 

 

 

Sender 0-8m

Mottaker 0-8 m

 

221725_812.eps

221724_812.eps

 

 

 

 

Eksempel av et fire-stråler beskyttelsesfelt. For mer informasjon om distanse mellom strålene, se manual eller standard EN 999.

 

221723_812.eps

 

 

Tilkobling

Sender

Mottaker

 

Kabler

Bestillingsnummer og dimensjoner, kabler med M12-kontakt.

Sender/mottaker kabel rett hunn

Bestillingsnummer

Lengde (m)

804000P03M020

2

804000P03M0503

5

804000P03M100

10

804000P03M200

20

 

 

M12 kontakt uten kabel rett

8A4000315

PG7

8A4000325

PG9

Sender/mottaker kabel vinklet hunn

Bestillingsnummer

Lengde (m)

804001P03M020

2

804001P03M050

5

804001P03M100

10

804001P03M200

20

 

 

M12 kontakt uten kabel vinklet

8A4001315

PG7

 

Bestillingsnummer

Bestillingsnummer

Beskrivelse

Rekkevidde (m)

S5-5-G8-62SGST4

Sikker fotocelle, sender

0-8

S5-5-F8-92SGST4

Sikker fotocelle, mottaker

0-8

SL5-5-G-82SGST4

Sikker fotocelle, sender

0-40

SL5-5-F-92SGST4

Sikker fotocelle, mottaker

0-40

 

Tilbehør

Vinkelbrakett

Passer M18 fotoceller

Dimensions ST-5011.

Bestillingnummer

ST-5011

 

Vinkelbrakett

Dimensions ST-5012.

Bestillingsnummer

ST-5012

 

 

Micro 18Brakett for M18

Brakett for M18 fotocelle hvor man trenger
å finjustere retningen Feks. laser fotocelle

Bestillingsnummer

MICRO-18

 

Brakett for M18

Dimensions SP-40.

Klemme med skruefeste

Bestillingsnummer

SP-40

 

 

Justerbar klemme

Klemme for M18 fotocelle med mulighet for finjustering

Bestillingsnummer

SWING-18

 

Tilbehør

Relaterte produkter



Lydfiler

Her er noen lydfiler

Relatert

Sterkere lys og større fleksibilitet med PC7 lystårn fra Auer
Produktnyheter

Lystårn Modul-Perfect 70

Auer Signal har videreutviklet sine lystårn i PC7-serien for å gi høyere funksjonalitet og vesentlig bedre lysstyrke enn tidligere generasjoner. Serien kombinerer kraftig signaleffekt med lavt strømforbruk og en fleksibel, modulbasert oppbygging.

Komponenter for spesielle kjøretøy
Kunnskap

Mobile kjøretøy i krevende miljøer

Mobile kjøretøy, også omtalt som Spesielle kjøretøy, brukes i bruksområder der standard kjøretøy og maskiner ikke strekker til. De er utviklet for målrettede oppgaver innen industri, bygg og anlegg, energi, landbruk, logistikk, forsvar og andre krevende sektorer. Felles for disse kjøretøyene er at de opererer under tøffe forhold, stiller høye krav til driftssikkerhet og ofte er utstyrt med avanserte systemer for styring, sikkerhet, kommunikasjon og overvåking.

ISOBUS gir sømløs kommunikasjon mellom landbruksmaskiner og redskaper fra ulike produsenter. En effektiv og fleksibel standard for moderne drift.
Kunnskap

ISOBUS: en revolusjon for landbruksmaskiner

Jobber du med å utvikle maskiner, spesielt for landbruket, vet du hvor viktig det er å ta i bruk moderne teknologi som gjør arbeidet enklere for brukeren. ISOBUS spiller en viktig rolle i dette. Før ISOBUS-standarden ble innført, hadde hver maskin og hvert redskap sine egne terminaler og grensesnitt.

RDMOL fra Auer Signal
Produktnyheter

Det allsidige lavintensitetslyset for hindringer i høyden

RDMOL fra Auer Signal kombinerer høy ytelse med enkel tilpasning. Med sertifisering for lavintensitet type A, B og E er det et fleksibelt valg for hindringsmerking av konstruksjoner opptil 45 meter, enten det gjelder bygninger, master eller tårn.

Profisafe fra Idem
Produktnyheter

Effektiv maskinsikkerhet med PROFIsafe

Med PROFIsafe over PROFINET får du en løsning som kombinerer høyeste sikkerhetsnivå med sømløs kommunikasjon og enkel installasjon.
Maskinsikkerhet blir stadig mer integrert og nettverksbasert, og hos OEM Automatic finner du låsbare håndtak og brytere med PROFIsafe som gir høy driftssikkerhet, kortere nedetid og enklere konstruksjon. Alle produktene våre er robuste, konfigurerbare og uavhengige av merke, og de kan enkelt integreres i både nye og eksisterende automasjonssystemer.

På besøk hos OEM Automatic i Tranås
Firmanyheter

Faglig påfyll i Tranås

Representanter fra OEM Automatic AS har nylig besøkt hovedkontoret til OEM Automatic AB i Tranås. Sammen med kollegaer fra Sverige, Finland og Danmark fikk de faglig påfyll, produktopplæring og inspirasjon fra både leverandører og interne foredragsholdere.

Artikler Føleravstand Materiale hus Rekkevidde Type lys Pris
8 m
PBT, PMMA
0-8 m
IR LED
8 m
PBT, PMMA
0-8 m
IR LED
40 m
ABS-plast, PMMA
0-40 m
Laser
40 m
ABS-plast, PMMA
0-40 m
Laser

Valgt variant

Velg variant i listen

Trenger du teknisk hjelp?

Therese Reenaas Ekeberg

Produktansvarlig

Kundesupport
For pris og leveringstid, logg inn eller ta kontakt med vår kundesupport
32 21 05 05
Send e-post
Trenger du hjelp?
Logo

Cookie-innstillinger for oem.no

Informasjonskapsler hjelper oss å forbedre opplevelsen din hos oss. Så for å kunne analysere trafikken, håndtere påloggingsinformasjon, tilby deg personlig informasjon og for at grunnleggende funksjonalitet skal fungere på nettsiden, må vi bruke noen informasjonskapsler.

Nødvendige informasjonskapsler

Disse informasjonskapslene er nødvendige for at nettstedet skal fungere og kan ikke slås av i våre systemer. De brukes vanligvis kun som svar på handlinger du har utført i forbindelse med en tjenesteforespørsel, for eksempel når du angir personlige preferanser, logger på eller fyller ut et skjema.

Analyse og måling

Disse informasjonskapslene lar oss telle antall besøk og trafikkkilder slik at vi kan måle og forbedre nettstedets ytelse. De hjelper oss å vite hvilke sider som er mer eller mindre populære og hvordan besøkende navigerer rundt på nettstedet. Informasjonen som disse informasjonskapslene samler inn er aggregert og derfor helt anonym. Hvis du ikke tillater disse informasjonskapslene, vet vi ikke når du har besøkt nettsiden vår.

Markedsføring

Disse informasjonskapslene kan legges til av våre partnere. De kan bruke dem til å lage en profil av deg, basert på dine interesser, for å vise deg mer relevant informasjon. De lagrer ingen personlig informasjon - kun informasjon om nettleseren din og enheten din. Hvis du ikke godtar disse informasjonskapslene, vil du få en mer generell og mindre tilpasset brukeropplevelse.